Изготовление из древесины собственноручно
Как делать ведро? Важно понимать, почему тара называется обливной и как она будет отличаться от многих остальных емкостей. В большинстве случаев создание деревянного ведра своими руками существенно упрощается, так как предполагается учет только основных принципов проведения предстоящей процедуры
Изначально выполняют следующие простые действия:
- Изначально выбирают ведро. Желательно воспользоваться емкостью белого или лазурного цвета, чтобы вода выглядела выигрышно.
- Обязательно снимают ручки с используемого ведра.
- Создают пару – тройку десятков шлифованных дощечек, которые должны быть равны по длине высоте ведра.
- Влагостойким клеем обязательно фиксируют планки рядом с ведром. Для обработки стыков применяют специальный герметический клей.
Это является самым простым вариантом создания ведра, которое уже можно будет использовать при проведении банных процедур.
Ведро с пластиковым вкладышем нужно будет закрепить на кронштейне.
Правильное крепление обливного ведра
Иногда можно воспользоваться вагонкой. Однако эта процедура будет более технологической и потребуется учитывать многочисленные нюансы. Интересуясь, как правильно сделать ведро из жести или вагонки своими руками, нужно понимать специфику предстоящего процесса. Обязательно используют шаблон для вырезки дна и боковых планок, так как это позволит правильно определится с размерами частей оструганной доски и других деталей.
Все детали нужно тщательно отшлифовать и пометить карандашом или маркером. Для ровных срезов обязательно используют электрический рубанок или лобзик. При создании дачного ведра обязательно обрабатывают каждую используемую планку, причем ее в дальнейшем подгоняют именно к создаваемой емкости с учетом ее литров.
Чтобы собрать емкость из планок, нужно отрезать 2 металлических полосы для обвода с нижней и верхней части. Рекомендуется использовать влагостойкий металл толщиной 1-1,5 миллиметра. Используемые полосы обязательно обрабатывают молоком и делают их круглыми. На двух концах делают специальные отверстия под зажимы, так как они позволят надежно зафиксировать деревянное ведро.
Затем проводят поэтапную сборку:
- Тару собирают из планок и предварительно устанавливают деталь дна.
- Тару придерживают. Металлической скобой обводят нижнюю часть и наживляют нажим.
- Подравнивают планки, устанавливают верхнее кольцо и крепят его.
- На следующем этапе проверяют ровность геометрии емкости, крепления обводов.
Правильно созданное ведро для обливания в бане обязательно будет успешно использоваться для последующего проведения процедуры парилки.
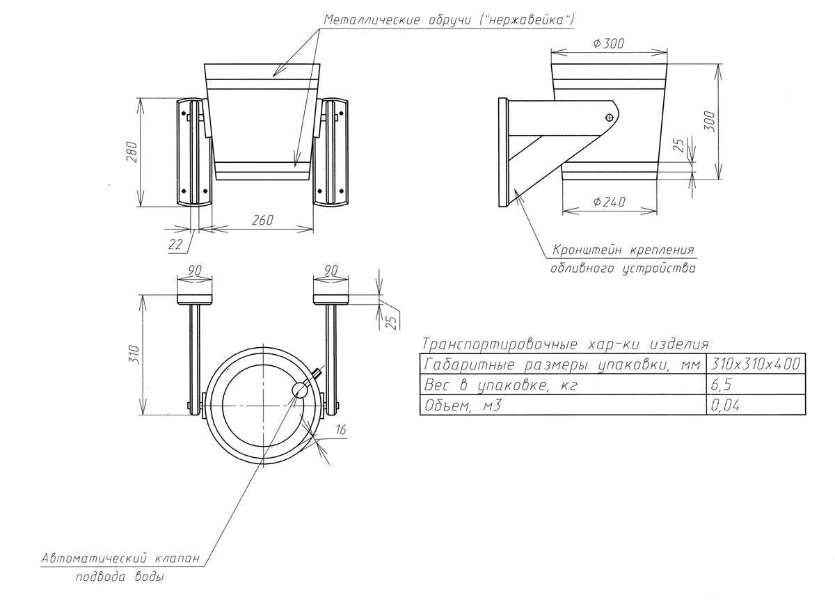
Описание конструкции обливного приспособления для бани
Типовые конструкции обливных устройств имеют одно общее свойство – все они закрепляются на вертикальной стене с помощью деревянного кронштейна. Поэтому надежность крепления всей конструкции приобретает наиважнейшее значение. Халатное отношение к этому может привести к серьезным травмам, да и то, если повезет. Что может произойти, когда обливное устройство обрушится Вам на голову, не трудно себе представить.
Предлагаемое обливное устройство лишено этого риска, так как его монтаж производится на горизонтальном основании, например, на верхнем торце перегородки у душевой. Вот так, как показано на этой картинке.
Правда, не всегда может подойти такая схема крепления. Тогда придется использовать обливное приспособление с вертикальным креплением к стене. Но, если есть возможность выбора, то советую остановиться именно на горизонтальном расположении.
Теперь рассмотрим основные узлы нашего бондарного изделия.
Емкость для воды
Краткая характеристика емкости для воды:
- Полный объем внутренней полости ведра: 26 литров.
- Объем заливаемой воды при закрытом впускном клапане: 17-18 литров.
- Материал: дубовая доска толщиной 20 мм.

- Емкость для воды.
- Вертикальный держатель.
- Стальной уголок.
- Обруч.
- Ось вращения.
- Отверстие для веревки.
- Анкерный болт.
- Впускной клапан.
- Скоба крепления оси вращения.
Как уже было сказано выше, изготовление емкости для воды следует делать по методике изготовления запарника с крышкой для банных веников.
На этом эскизе приведены размеры клепок, по которым и следует их изготовить.
Примечание если нет возможности достать дубовую доску, то можно изготовить емкость для воды из другого материала, например, из сосны, пихты, черной ольхи или другой подходящей древесины.
Кронштейн для крепления обливного устройства
Все детали этого узла изготавливаются из простой древесины. Сосна – вполне подходящее дерево. Сборка всех элементов производится саморезами по дереву. Для придания большей прочности вертикальным держателям, они дополнительно скреплены стальными уголками.
На верхнем торце держателя выбран радиальный паз для оси вращения, закрепляемого к емкости для воды. На основании просверлены четыре отверстия диаметром 13 мм под анкерные болты.
Ось вращения
Представляет собой узел, состоящий из стандартных крепежных деталей.
- Гайка M12 со сферическим концом.
- Втулка резьбовая.
- Гайка M12 – 4 шт.
- Прокладка резиновая с внутренним диаметром 12 мм.
- Прокладка под болт.
- Болт.
- Шайба увеличенная M12.
Вам остается подобрать подходящие детали из расчета длины резьбовой втулки, равной 25-30 мм. Две левые шайбы ограничивают ход обливного ведра в горизонтальном направлении.
Впускной клапан
Представляет собой обыкновенный впускной клапан, который используется в сливных бачках. Подобрать его не составит никакого труда в любом сантехническом магазине.
Как правильно использовать
Процедура обливания с помощью ведра-водопада начинается с психологической подготовки к резкому потоку холодной воды. После того, как человек будет эмоционально готов, следует быстро вступить на место обливания и просто резко дернуть веревку. Сила потока зависит от резкости движения, переворачивающего ведро. Если дернуть несильно, то холодная вода будет выливаться постепенно, а при сильном дергании весь объем воды выливается сразу же, мгновенно охлаждая разгоряченное тело. Именно резкий контраст температур обеспечивает оздоровительный эффект. Данную процедуру следует завершить обтиранием полотенцем.
Технические требования и советы по монтажу
Нехитрое новшество заинтересует каждого владельца собственной бани и чтобы не быть белой вороной и знать что вам нужно, рассмотрим рекомендательные советы по обустройству механизма.
Размер обливного ведра может быть любым: большое, среднее или маленькое – здесь только ваши предпочтения. А вот расположение механизма нужно предварительно продумать, чтобы впоследствии не пришлось его переустанавливать.
В большинстве случаев «перевертыш» устанавливают в моечном отделении на стене или перегородке, так, чтобы выйдя из парилки можно было сразу встать под него и охладиться. Здесь и система отвода воды налажена и подача есть. Хотя для мини-водопада централизованная система необязательна. Можно на время принятия процедур пускать отдельный шланг из накопителя, или же наливать воду вручную. Последний вариант не совсем удобный, но за неимением лучшего и он подойдет. В небольших банях обливное устройство монтирую на улице. В таком случае можно пользоваться и дождевой водой, предварительно установив емкость для сбора и организовав отвод в самодельную конструкцию.
Самый ответственный момент в работе – определение высоты установки. Для человека со средним ростом рекомендованы показатели в — 2 или 2,2 метра. Высокорослым пользователям в самый раз уровень в 2,6–2,8 м. Определите средний рост членов вашей семьи. Если намечается сильный разброс – монтируйте систему на высоте, рекомендованной для рослого человека. Пользоваться самодельным водопадом смогут все, просто нужно будет сделать немного длиннее веревку приводящую механизм в действие. Еще одной рекомендацией будет совет не устанавливать ополаскиватель рядом с освещением бани.

Определившись с местом установки ополаскивателя, присмотритесь к выбору кронштейнов. Приобретайте только модели из нержавеющей стали. Самостоятельно изготавливая детали, тоже выбирайте металл устойчивый перед влагой. Кронштейны должны выдерживать общий вес емкости заполненной водой. Создавая подвижное соединение, опрокидывающее ведро приварите к держателю металлические скобы. А еще проще вмонтировать в держатель стержень, проходящий через емкость.
Несколько полезных советов
- Перед первым применением налейте в ведро воду и оставьте на пару часов, чтобы оно набухло.
- Не держите деревянную емкость долгое время пустой, чтобы она не рассохлась. Но следите за тем, чтобы вода в ней не зацвела.
Как делают ведро для бани
Для изготовления ведра-водопада берут доску первого сорта с радиальным распилом. Запасаются металлом для изготовления кругов, а также понадобятся ножовка, бур, рубанок, другие столярные инструменты.
- Приступают к изготовлению заготовок, которые называются клепками и дна изделия. Для этого подготовленным доскам придают заданную форму и обрабатывают детали рубанком.
- На следующем этапе в каждом боковом элементе делают отверстия для монтажа днища. Одновременно спиливают торцы для получения закругленной конструкции.
- Заготовки предварительно собираются в одно целое, при необходимости нумеруются, на этом этапе определяют размер днища.
- Производится замер металлических полосок для изготовления верхнего и нижнего колец. Нижнее кольцо монтируется сразу, а верхнее после подгона всех деталей.
- На завершающем этапе проводятся операции по шлифовке готового изделия.
Правила эксплуатации
Чтобы «русский душ» служил долгое время на благо банщикам, необходимо соблюдать простые условия эксплуатации устройства:
- перед вводом его в эксплуатацию необходимо подержать в нем в течение двух – трех часов холодную воду, так емкость приобретет необходимую форму и в дальнейшем не рассохнется;
- после удаления воды стенки тщательно промывают водой, не применяя химические моющие средства;
- нельзя располагать емкость около горячей печи: это грозит не только рассыханием конструкции, но и может привести к пожару.
Еще одно правило эксплуатации связано с установкой ведра на улице: некоторые любители парной наполняют его дождевой водой. В этом случае специалисты советуют сверяться с состоянием экологической обстановки в районе.
Породы деревьев для изготовления банного водопада
Производители применяют несколько сортов древесины, каждый из которых имеет свои особенности:
- из обычного или мореного дуба получаются дорогие долговечные изделия, дуб считается прочным деревом, поэтому дубовые изделия подойдут для эксклюзивных помещений;
- липа имеет приятный светлый оттенок, противостоит короблению, считается долговечной породой дерева. Из липы испокон веков строили бани, поэтому аксессуар, сделанный из нее, отлично впишется в интерьер парилки;
- кедр отличается устойчивостью к влаге, благодаря содержанию в его составе эфирных масел считается эффективным материалом для изготовления банных аксессуаров;
- лиственница обладает необычной структурой древесины и красивыми оттенками, изделия из лиственницы украсят любую баню;
- осина не отличается выдающимися свойствами, но емкости из нее прочные, служат долгий период времени.
Обливное устройство своими руками
Готовый «русский душ» идет в комплекте с системой контроля уровня воды. В простейшем случае она работает по принципу сливного бачка в унитазе. Если хотите сделать такое устройство своими руками, нужно будет к емкости (из древесины, металла или пластмассы) приспособить такую систему контроля и подвести воду при помощи пластиковой трубя или шланга, можно использовать гибкий шланг от душа и т.п.

Чертеж обливного устройства для бани и сауны (кликабельно)
Крепеж можно сделать из двух металлических кронштейнов, в лучшем варианте – из нержавеющей стали.

Один из вариантов крепления обливного душа для бани
Больше всего вопросов возникает при организации подвижного соединения емкости и крепежа. К бакам из металла можно приварить, приклепать соответствующие «ушки». Там, где приварить и приклепать не получится, можно использовать хомуты или стержень из нержавейки, который проходит насквозь через всю емкость.
Дешево, сердито и практично
Этот вариант обливного ведра в буквальном смысле. Зато сделать своими руками может каждый, дае тот, кто не очень хорошо работает с деревом.
Берете обычное пластиковое ведро (поищите голубого или белого цвета), отделываете его отшлифованными планочками. Если получится, соедините обручем, нет — приклейте на клей. Стыки ведра и планок можно пройти прозрачным герметиком.
Крепление можно сделать, как на фото выше. Нет нержавеющего прута — выточите (купите) деревянный. Он тоже неплохо справится с нагрузкой (только трещин, сучков и других дефектов быть не должно).

Еще один способ крепления обливного ведра к кронштейнам
Нужна система контроля воды — покупаете поплавок и клапан от унитаза (это один узел) и монтируете. В одной из стенок, куда вода будет подводиться, высверливаете отверстие, промазываете герметиком и вставляете систему, подключаете гибким шлангом воду. Все, ваша обливайка готова.
Стандартной процедурой при посещении бани является охлаждение тела. В данном случае используют бассейн, озеро, купель либо сугроб, если это зимний период. Такие процедуры имеют большое количество преимуществ: укрепляют здоровье, повышают настроение, тонизируют кожу. К сожалению, не у всех имеется возможность после бани окунуться в озере либо бассейне. Обливное ведро для бани – простой вид купели, доступный каждому, при этом изготовить и смонтировать устройство можно самостоятельно.
Правила монтажа
Ведро для обливания крепится снаружи с помощью металлических колец. Для крепления используется специальная наклонная система из металлических кронштейнов.
Емкость следует монтировать там, где будет обеспечена постоянная подача воды и присутствует правильный слив. Ведро имеет пропускные клапаны, и его работа напоминает механизм сливного бачка в унитазах. После того, как емкость полностью наполняется водой, клапан всплывает на поверхность, а когда ведро становится пустым, клапан опускается на дно емкости.
Существует вариант автоматического наполнения резервуара. В этом случае емкость соединяют при помощи гибких резиновых шлангов с системой водоснабжения.
Как происходит процесс обливания при помощи ведра для бани:
- Ведро-водопад наполняется холодной водой.
- Человек после парилки становится прямо под емкостью и дергает за прикрепленную к ведру веревку или цепь.
- Вода выливается из опрокинутой емкости.
Если дернуть за веревку со всей силы, на любителя баньки выльется большее количество воды. Тем самым можно регулировать объем выливаемой жидкости.
Часто устройство устанавливается в отдельной комнате бани, в которой функционирует слив воды. В такой комнате стены покрывают специальным водоотталкивающим средством. Если нет возможности механически наполнять резервуар, вода наливается вручную.
Некоторые банщики крепят ведро-перевертыш у внешнего входа в баню. Обычно «уличное» ведро наполняют водой самостоятельно, но можно провести дополнительное автоматическое водоснабжение.
Особое внимание следует уделить кронштейнам, с помощью которых будет крепиться емкость. Они должны выдерживать минимум 60 кг веса
В основном, используется крепление, сделанное из нержавеющей стали. Самый элементарный вариант крепления – механический стержень, который пронизывает насквозь верхнюю часть конструкции.
На какой высоте следует крепить ведро? Обычно руководствуются средним ростом банщиков, располагая конструкцию на высоте 220 см. Но можно рассчитать индивидуальную высоту, если в бане будут париться люди, ростом выше среднего.
Самый сложный момент в монтаже ведра-водопада, предназначенного для бани – установка механической подачи воды. На высоте фиксации емкости прокладывается водопроводная труба, устанавливается специальный кран. К трубе подсоединяется шланг из резины (он может быть сделан также с оплеткой из нержавеющей стали). Один конец шланга подводится к поплавку, который располагается внутри ведра. Поплавок будет контролировать уровень воды, которая находится в емкости. Готовая конструкция обязательно предварительно тестируется, и только после этого вводится в работу.
Что нужно делать для того, чтобы продлить срок службы ведра-перевертыша:
- В новый деревянный резервуар перед началом применения необходимо налить прохладную воду и подержать 2-3 часа.
- Вылейте воду, тщательно вымойте все стенки горячей водой.
- Ни в коем случае не используйте средства для мытья посуды, полов и другую бытовую химию.
- Емкость не должна располагаться вблизи горячей печки.
- Не располагайте ведро на открытом участке, куда попадают прямые солнечные лучи.
Приверженцы натуральной экологии предпочитают устанавливать ведро на улице, где сможет набираться дождевая вода. Это будет самое полезное обливание при условии, что баня располагается в экологически чистой местности, и дождевая вода не будет содержать вредные химические вещества.

Ведро из дерева своими руками

Привет любителям помастерить, на этот раз мы рассмотрим, как сделать ведро из дерева своими руками. Такая самоделка будет полезна для тех, у кого есть баня или просто для любителей подобных вещей. Конечно, в сравнении с современными пластиковыми или металлическими ведрами это ведро из дерева тяжелое и не долговечное, зато как оно смотрится! Еще в таком ведре можно квасить огурцы, помидоры, яблоки и так далее. Инструменты для изготовления автор использовал довольно современные, так что процесс сборки оказался довольно простым. Если самоделка вас заинтересовала, предлагаю изучить проект более детально!
Шаг первый. Нарезаем материалы
Приступаем к поиску необходимых материалов, нам понадобятся доски одинаковой толщины, автор использовал разные обрезки. Чтобы получить все доски одинаковой толщины, автор прогнал их через рейсмус.Шаг второй. Донышко Делаем донышко для ведра, для получения материала нужно площади склеиваем две или несколько досок. Ну а далее чертим циркулем круг и вырезаем. Для резки автор использовал ленточный отрезной станок. Края круга нужно сточить, чтобы они были узкими и заходили в паз, тут автор работает рубанком.Шаг третий. Сборка ведра Чтобы собрать ведро нам нужно провести некоторые расчеты, а потом нарезать доски под нужным углом нужной формы. Суть в том, чтобы после сборки ведра все стыки имели минимальные зазоры, только это обеспечит герметичность ведра.
В заготовках проделываем канавки под донышко, и теперь ведро можно собирать. Для этого нам понадобится малярная или другая клейкая лента. Просто собираем ведро сперва плоским на столе, склеивая доски лентой, а далее поднимаем, сворачиваем и имеем готовое ведро.
В завершении останется вклеить донышко, тут нам понадобится столярный или подобный клей, для увеличения прочности и герметичности соединения в клей добавляем мелкие древесные опилки. Стягиваем ведро и даем клею высохнуть.
Шаг четвертый. Ободки
Делаем ободки для ведра, они будут удерживать доски, а также сжимать их, убирая зазоры на стыках. Тут нам понадобятся железные пластины, а гнуть мы их будем путем холодной ковки. Берем молоток и бьем по одному краю пластины, она тут же начинает закручиваться от неравномерных внутренних напряжений. Таким образом, получаем ободки нужных размеров, а концы свариваем.
Изготовленные ободки хорошенько напрессовываем на ведро, теперь оно у нас крепкое и герметичное, а когда в него попадет вода и дерево расширится, конструкция станет еще более герметичной и крепкой.
Шаг пятый. Ручка и испытания Для начала сделаем два уха, за которые будем цеплять ручку. Их нужно вырезать из железной пластины. Крепить уши к ведру будем винтами с гайками, сверлим отверстия в ведре и прикручиваем. Остается сделать ручку, тут нам понадобится толстая железная проволока. Также вытачиваем непосредственно ту часть ручки, за которую будем браться руками, в качестве материала используем дерево. Если токарного станка нет, не страшно, такую деталь можно изготовить дрелью или даже ручными инструментами.
Гнем проволоку и устанавливаем ручку на ведро. Теперь оно готово к испытаниям! Наливаем в ведро воду, оно ее держит без проблем, а выглядит все шедеврально! Если дерево ничем не обрабатывать, оно со временем потемнеет, и будет смотреться еще интереснее, но это уже на любителя. На этом проект можно считать оконченным, надеюсь, вам самоделка понравилась. Удачи и творческих вдохновений, если решите повторить подобное. Не забывайте делиться с нами своими идеями и самоделками!
Источник
Этот пост может содержать партнерские ссылки. Это означает, что я зарабатываю небольшую комиссию за ссылки, используемые без каких-либо дополнительных затрат для вас. Дополнительную информацию смотрите в моей политике конфиденциальности.
ведро, самоделка, дерево
Обливное ведро для бани: принцип работы, преимущества, недостатки
Обливное устройство представляет собой классическое деревянное ведро большого размера, закрепленное на стене. Нередко его называют ведро-перевертыш, т. к. у устройства есть цепочка или шнурок, достаточно потянуть за него, как ведро перевернется и обольет водой.
Такое ведро использовали еще с древних времен, в старину его делали из бересты или из цельной колоды путем долбления полости. Позже емкость стали изготавливать из деревянных дощечек, соединенных металлическими полосами.
Обливное ведро работает следующим образом: открывается кран, наполняет емкость водой, когда она заполнится до необходимого уровня, поплавковый выключатель перекроет поток. При натяжении веревки или цепочки вода выливается, поплавок опускается вниз, и вода снова набирается до нужно уровня.

Каждое обливное устройство для бани состоит из следующих элементов:
- самой емкости;
- кронштейнов для крепления к стене;
- системы контроля уровня воды;
- веревки, с помощью которой переворачивается емкость.
Как видите, конструкция невероятно простая, поэтому даже начинающий мастер может сделать обливное ведро для бани своими руками. Если нет желания делать ведро самостоятельно, то можно купить готовое.
Душ-ведро занимает совсем мало места, для него необязательно выделять отдельное помещение. Традиционно ведро устанавливают в моечной, для него достаточно выделить 1х2 квадратных метров.
Такое устройство обойдется в разы дешевле, чем бассейн, купель или даже душевая кабина.
Недостатком обливного ведра является то, что его необходимо заранее наполнить водой, т. к. ведро должно разбухнуть, в противном случае холодная вода выльется через щели.
При этом все время наполненной водой деревянную емкость держать нельзя, т. к. вода начнет мутнеть, появится неприятный запах, а дерево будет гнить. По этой причине некоторые отдают предпочтение пластиковым емкостям.
Где лучше установить обливное устройство
В принципе, ответ напрашивается сам – там, где есть канализация. Если в бане есть душ, то обливное ведро можно подвесить около него, чтобы вода сливалась в один канализационный трап. Хотя оптимальный вариант – это трап отдельно установленный. Большое количество воды, вылитое из ведра, и плюс работающий душ могут создать целое озеро в бане. Одно сливное отверстие с таким объемом воды может не справиться.
Что касается установки обливного устройства на улице, то тут ограничений нет. Все будет зависеть от ваших пожеланий и удобства пользования им. Единственное, что хотелось посоветовать по этому поводу, это настил или постамент из досок. Не стоит стоять на простом грунте когда принимаете водные процедуры. Не оберетесь грязи на ногах.

За самим устройством надо обязательно ухаживать. Это деревянная конструкция, которая быстро высыхает. Между ее элементами будут образовываться зазоры, через которые вода будет подтекать. Поэтому те, кто часто посещает свою баню, никогда не оставляют обливное ведро пустым. Именно так можно продлить срок его эксплуатации. Если баня посещается нечасто, то необходимо за три часа до ее посещения залить ведро водой. Древесина разбухнет и зазоры исчезнут. Конечно, все это не касается ведер, отделанных изнутри пластиком, такие устройство сегодня тоже продаются.


















![Ведро для бани [сауны]: устройство для обливания своими руками](https://domatoot.ru/wp-content/uploads/1/7/1/17163b7ee65303cb1b90b2d84a82592d.jpeg)



















