Особенности
Если отопительный аппарат можно уподобить сердцу нагревательной системы, то обвязка котла – это сосуды и периферические органы.
При использовании такой системы осуществляются следующие действия:
- обеспечивается нормальная температура в отопительных контурах;
- сбрасывается содержащийся в магистрали воздух;
- поддерживается нормальный запас теплоносителя;
- отслеживается равномерность прогрева отопительных приборов;
- поддерживается подключение различных отопительных контуров и настройка их на ту или иную температуру;
- повышение эффективности распределения получающегося тепла.


2 Основные виды котлов
Условно котлы по загрузке делятся на ручные и автоматические. При этом автономное оборудование с учетом применяемого топлива может быть:
- электрическое;
- твердотопливное;
- жидкотопливное;
- газовое.
К отопительным приборам ручной загрузки относятся твердотопливные котлы. В этом случае в качестве топлива применяются уголь, торф, дрова. Это оборудование нуждается в участии человека для загрузки горючего. Сохранение требуемой температуры теплового носителя также должно поддерживаться оператором. Котлы изготовлены в напольном варианте и имеют минимум устройств автоматики.
Схема обвязки настенного двухконтурного газового котла
- Обвязка газового котла в системе отопления
- Подключение настенного котла к электросети
- Выбор дымохода для газового котла
- Подключение к газовой магистрали
Введение
Эффективность и безопасность работы газового котла во многом зависит от его правильного подключения к системе отопления. Этот процесс, называемый еще обвязкой, состоит из нескольких этапов. По причине того, что газ это очень опасное топливо, некоторые работы должны проводить сертифицированные сотрудники газовых служб, но многое можно сделать своими руками.
Подключение настенного газового котла это комплекс работ, который включает в себя: обвязку в системе отопления, подключение к газовой и электрической сети, монтаж дымохода. В этой статье мы постараемся рассказать о каждом из этапов.
После того как выполнен монтаж настенного газового котла и отопительный прибор размещен на стене, первым делом необходимо подключить его к системе отопления. В зависимости от того, какая модель установлена одноконтурная или двухконтурная, существуют различные схемы обвязки. Мы рассмотрим процесс подключения на примере настенного двухконтурного газового котла.
Как известно, двухконтурный котел, помимо отопления способен производить горячую воду для хозяйственных нужд. Конструктивно это реализуется установкой одного битермического или двух раздельных теплообменников. Двухконтурный котел производит не очень много горячей воды, но ее вполне хватит на 1-2 точки раздачи (например, кухонный кран и душ).
Современный навесной газовый котел очень компактен и уже содержит внутри себя основные элементы, необходимые для функционирования системы отопления с принудительной циркуляцией, такие как: циркуляционный насос, расширительный бак, группа безопасности. В отопительных системах небольших частных загородных домов этого более чем достаточно, но в случае необходимости можно установить дополнительный расширительный бак или еще один насос.
В нижней части любого навесного двухконтурного котла имеется 5 патрубков. К ним подключается: подающая и обратная линии системы отопления, подача и обратка ГВС, магистральный газ.
Вход для подключения газа обычно расположен по центру и окрашен в желтый цвет. Все остальные линии могут располагаться в произвольном порядке, в зависимости от модели газового котла.
Поэтому перед началом обвязки требуются уточнить назначение каждой из них в инструкции по эксплуатации.
Обвязка настенного газового котла выполняется полипропиленовыми или металлическими трубами. Сечение труб отопления, как правило больше чем труб ГВС 3/4 и 1/2 дюйма соответственно. Подключение системы отопления к котлу происходит через гайки «Американки».
На каждой линии устанавливаются шаровые краны, для удобства демонтажа газового котла без слива теплоносителя и для изолирования котла от отопительной системы в случае необходимости.
Для обеспечения герметичности, все подключения необходимо выполнять с помощью сантехнической ФУМ-ленты или льна.
Схемы подключения котла для общего представления

Разберём обвязку на схемах. Простая обвязка котла включает:
- циркуляционный насос (1) для обеспечения движения теплоносителя (воды) в трубах и оборудовании системы отопления,
- расширительный бак (2) забирает из системы излишнюю воду (теплоноситель) при её нагревании и отдаёт обратно в систему,
- группа безопасности котла (3) с предохранительным клапаном при закипании котла выбрасывает лишнюю воду в канализацию.

Далее идут системы безопасности людей и самого котла. Защищаем теплообменник котла от попадания на него излишне холодной воды, что выводит его из строя раньше времени. Ставим 3-х ходовой термостатический смесительный клапан(8) – если с обратки от радиаторов отопления пойдёт холодная, более чем полезно теплообменнику котла, клапан включит подмес горячей воды.
Теперь защищаем людей от взрыва и ожогов. Особенностью обвязки твердотопливного котла является: горение твердого топлива в котле полностью не поддаётся контролю как у газовых и электро котлов. Поэтому обязательно для обвязки системы отопления с твердотопливным котлом не допустить излишнего перегрева воды до 95 град. в трубах и радиаторах отопления до опасной для прикосновения человека температуры. И для этого существует 3 отдельных способа охлаждения воды к радиаторам отопления, которые можно использовать и одновременно.

Вариант 1: Смесительный клапан (7) по мере необходимости добавляет в трубу к радиаторам отопления более прохладную воду из обратки воды от радиаторов отопления. Выглядит достаточно просто.

Вариант 2: 4-х ходовой клапан аварийного охлаждения теплообменника (4) с выносным датчиком при перегреве до 95 град. через обратку запустит в котёл холодную воду из водопровода, а из котла перегретую воду выбросит в канализацию. Так как такое возможно при отключении электричества в доме. Останавливается насос котла, но и насос в скважине. Поэтому холодная вода для охлаждения котла берется из гидроаккумулятора водопровода и её может не хватить: устанавливаем дополнительный гидроаккумулятор (5) с обратным клапаном (6) для отключения его от водопровода.

Вариант 3: Аварийный гравитационный контурс обратным клапаном (9) – схема показывает его вариантом, однако контур требует специфики, определенного низкого давления и температуры, может содержать в себе радиатор отопления для этих целей.
Вариант 4: Использовать несколько метода одновременно.
Защита от перегрева теплоносителя
Одна из бед твердотопливных котлов — возможность перегрева теплоносителя. Если не принять меры заблаговременно, даже обнаружив закипевший теплоноситель, вы немногое можете сделать: затушить котел не самая простая задача. Поэтому эту проблему надо решать аппаратными методами.
Не так просто остановить нагрев ТТ котла
Первый способ — охлаждение теплообменника
Один из способов не допустить закипания теплоносителя — охладить теплоноситель. Для этого при обвязке твердотопливного котла делают два контура — один для отвода перегретого теплоносителя в канализацию, второй — для добавления холодной воды в перегретый теплоноситель. Этот вариант возможен, только если в системе отопления у вас вода (не антифриз), а также в котлах со стальными теплообменниками (чугунный теплообменник при резком перепаде температур может лопнуть). Реализуется эта схема обвязки на основе клапана аварийного охлаждения.
Обвязка ТТ котла с защитой от перегрева с клапаном аварийного охлаждения теплообменника
Удобно это сделать с четырехходовым клапаном, с выносным погружным датчиком температуры. К одному его входу подключается подача котла, противоположный выход выводится в канализацию — это магистраль для сброса закипевшего теплоносителя. К другой паре входов подключается отвод от обратки и труба подачи холодной воды из водопровода — это магистраль добавления холодной воды в теплоноситель
Обратите внимание, холодная вода подмешивается в обратку после циркуляционного насоса, перед котлом
Эта обвязка твердотопливного котла работает только при наличии давления в системе водоснабжения. Если у вас холодное водоснабжение сделано из скважины или колодца, при отсутствии электричества она будет неработоспособной. Чтобы обезопасить себя и на этот случай, в систему добавляют мембранный бак с холодной водой. Чтобы вода из гидроаккумулятора не попадала в систему, устанавливают обратный клапан (на схеме ниже прямоугольник со стрелкой).
Добавить мембранный бак с холодной водой для аварийного охлаждения теплообменника в твердотопливном котле
Задачу свою эта схема выполняет — сбивает температуру в котле при аварийной ситуации. Если при этом принять меры дополнительно по снижению интенсивности горения (перекрыть задвижки, ограничив доступ воздуха), то локализовать проблему можно быстро. Но есть и недостатки: в систему попадает «свежая» вода — это новая порция кислорода, новые соли, которые осядут внутри. По сравнению с последствиями закипания теплоносителя это мелочи, но все же…
Второй способ — подмес теплоносителя из обратки в подачу
Этот способ позволяет делать обвязку пластиковыми трубами (ПВХ), ставить их можно только после узла подмеса. Эта схема обвязки очень напоминает описанную в предыдущем пункте — для борьбы с конденсатом. Разница в том, что смесительный трехходовой клапан устанавливается другой: он срабатывает на превышение температуры. Также ставится он на трубопроводе подачи (всегда открытый вход направлен в сторону системы отопления).
Схема подключения твердотопливного котла трубами ПВХ
На клапане выставляете тот предел, который длительное время выносят ваши трубы или другое оборудование. При превышении температуры в подаче выше нормы, открывается подача остывшего теплоносителя из обратки. Закрывается подача когда температура понизится. Таким простым способом удается избежать попадания перегретого теплоносителя в систему.
Как видите, один способ охлаждает теплообменник, второй защищает элементы системы. В идеале их используют совместно.
Типовые схемы обвязки
Для правильной обвязки отопления необходимо разработать индивидуальный проект, поскольку каждое жилое помещение и котельная индивидуальны, хотя имеют ряд схожих черт. Такие проекты основываются на типовых схемах, отражающих общие для всех, принципиальные позиции монтажа систем в различных условиях.
Система открытого типа с естественной циркуляцией
Такая схема, по-другому гравитационная, является наиболее распространенной. Имеет свои преимущества и недостатки.
Положительные стороны:
- Эффективная работа.
- Простота монтажа.
- Относительно низкая стоимость.
- Высокая безопасность.
- Автономность.
Так как вода при нагревании имеет свойство расширяться, при гравитационной схеме обязательна установка расширительного бака, собирающего излишки теплоносителя.
Отрицательные стороны:
- Сложность в управлении.
- Необходимость в постоянном контроле системы.
- Повышенный расход топлива.
В открытой системе ввод обратки в котел должен быть ниже радиаторов минимум на 0,5 метра.

Закрытая система с естественным движением теплоносителя
В отличие от открытой, здесь необходимо установить мембранный бак на обратном трубопроводе. Для эффективного функционирования его размер должен превышать на 10 % объем теплоносителя в целом по системе.
Для возможности сброса излишнего давления из трубопроводов (более 2 атм.) следует установить предохранительный клапан, подключив его к канализации.

Система с принудительной циркуляцией
Система с принудительной циркуляцией отличается тем, что имеет в своем составе насос. Это обеспечивает равномерность температуры на всех участках. Кроме того, применение циркуляционного оборудования позволяет минимизировать уклоны трубопроводов.
Для сохранения работоспособности отопления в случаях посадки напряжения или поломки насосов необходимо предусматривать обводные линии в обход оборудования. Циркуляционный насос устанавливается на обратке из соображений безопасности, а также повышения степени надежности и долговечности работы.

Схема с буферной емкостью
Схема обвязки твердотопливного котла отопления с теплоаккумулятором применяется для поддержания постоянной температуры в системе (ТТК плохо управляются, требуя неустанного контроля за количеством топлива и тягой) и во избежание закипания рабочей жидкости.
Теплоаккумулятор представляет собой герметично выполненный бак, установленный между котлом и потребителем. Принцип работы устройства заключается в том, чтобы аккумулировать избыток тепла в собственном объеме, отдавая его в систему при необходимости.
Температура теплоносителя регулируется посредством узла смешения, представляющего собой трехходовой клапан с датчиком температуры.

Обвязка с трехходовым клапаном
Для дополнительной защиты отопительного котла от перегрева предусматривается контур для аварийной подачи холодной воды в теплообменник либо в установленный внутри оборудования специальный змеевик.
Работа данного узла осуществляется благодаря оборудованию трехходовым вентилем и датчиком температуры внутри теплообменного аппарата. Сброс нагретой воды происходит в канализацию.
С установкой бойлера косвенного нагрева
Обвязка твердотопливного котла с бойлером косвенного нагрева подходит для любой схемы подключения. Бойлер служит для нагрева холодной воды в целях горячего водоснабжения.
Подключение водонагревателя к системе происходит параллельно со всеми приборами, использующими горячую воду
Здесь важно помнить, что для увеличения эффективности его работы, следует предусмотреть трехходовой кран, перекрывающий отвод воды из агрегата, если та еще не нагрелась

Коллекторная схема
Коллекторы служат для одновременного параллельного подключения нескольких веток отопления. Например, при подсоединении к одному агрегату теплого пола, радиаторов отопления на нескольких этажах (для каждого отдельная ветка) и т. д.
Несмотря на очевидное усложнение, использование коллекторов (гребенок) открывает широкие возможности для регулировки системы, повышения эффективности и надежности.
Как лучше подключить газовый котел – выбор схемы
Существует несколько схем подключения котла: подключение может включать в себя также контур ГВС для нагрева горячей воды. В самом простом варианте установки газового отопительного котла применяют тупиковую схему. Такая схема подключения напольного газового котла подойдет и для настенных моделей, предусматривая коммутацию нагревательных приборов между разливами. Недостатком данного варианта является неравномерность температурного режима на разных участках контура: ближние радиаторы будут всегда горячее дальних из-за прохождения по ним основного объема теплоносителя. Проблему можно решить балансировкой (дросселированием) подводок ближних к котлу батарей.
В принципиальной схеме подключения двухконтурного газового котла приготовление ГВС происходит в отдельном теплообменнике. В целом ГВС реализуется очень просто: холодную воду подают внутрь теплообменника.
Схема, как правильно подключить газовый котел двухконтурного типа, на порядок интереснее:
- Циркуляция внутри малого контура обеспечивается встроенным в котел насосом, замыкающим теплообменник и гидрострелку.
- За гидрострелкой располагают коллекторную разводку для 6 автономных контуров: 2 – для стандартных секционных радиаторов, и 4 – для системы теплого пола. Каждая пара гребенок теплого пола в состоянии обеспечить по 2 контура.
- Обязательно нужно синхронизировать контуры с разным температурным режимом. Для этого используется передвижение теплоносителя по трубкам водяного теплого пола.
- Подключение газовой системы отопления возможно только после получения соответствующего разрешения.
Для организации ГВС частного дома нередко используется отдельный нагреватель, так как подключить одноконтурный газовый котел намного легче. Приготовление горячей воды здесь происходит в бойлере косвенного нагрева, с дальнейшей частичной передачей энергии от теплоносителя на теплообменник. Для возможности организации системы теплых полов здесь предусмотрена схема подключения одноконтурного газового котла с трехходовым клапаном и рециркуляцией. В летнее время подача воды осуществляется только через бойлер и котел.
После остановки нагревателя, циркуляция воды между тепловым аккумулятором и радиаторами отопления продолжается. Регулировка температуры батарей здесь также обеспечивается трехходовым краном и термостатом. Для этих целей определенный объем воды или антифриза с обратки запускают на повторную циркуляцию.
Итоги
В качестве вывода можно сказать, что схема подключения газового котла в частном доме во многом зависит от способа циркуляции теплоносителя внутри системы отопления. Самые простые в плане организации – одноконтурные гравитационные схемы, где теплоноситель перемещается самотеком благодаря созданию необходимого уклона труб. Однако более эффективными считаются принудительные системы, в составе которых есть циркуляционный насос: он обеспечивает более интенсивное перемещение нагретого теплоносителя по трубам. Наличие избыточного внутреннего давления в закрытых контурах предусматривает обязательное применение дополнительных регулирующих приборов и предохранительных клапанов.
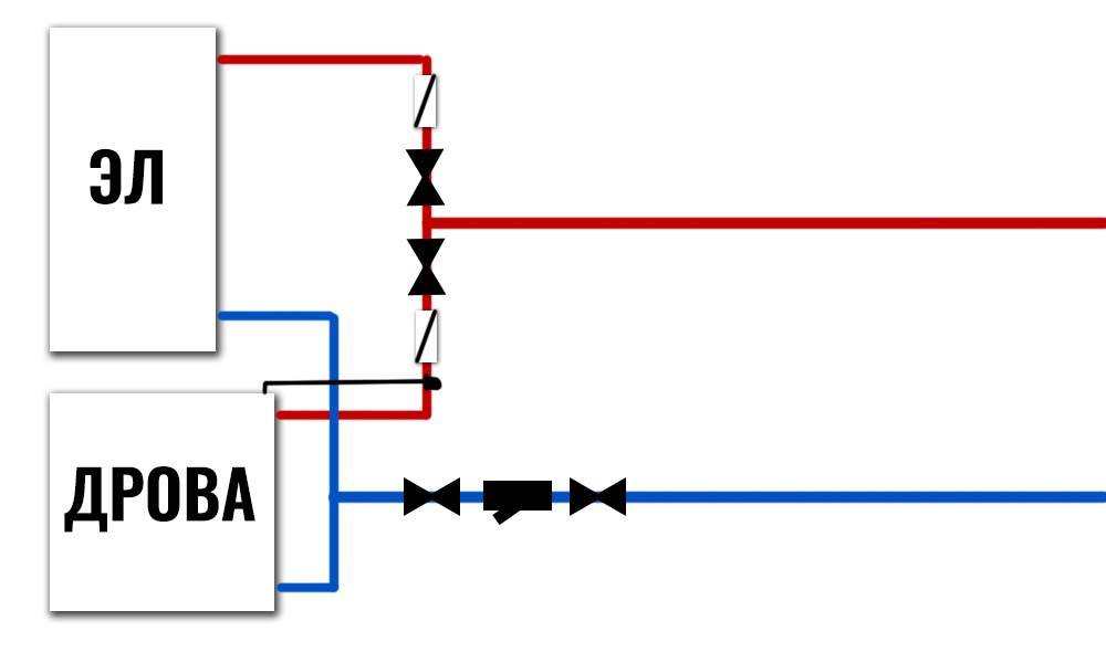
Схема подключения двух котлов с автоматическим управлением

Гидравлически ничем не отличается от ручной системы, кроме одной детали. При подключении двух котлов появляются два обратных клапана. Обратный клапан необходим для того, чтобы исключить паразитные потоки через неработающий котел. Вручную в этой системе ничего не нужно перекрывать. Магистрали всегда должны быть открыты. И в случае если один из котлов не работает, то насос второго котла неизбежно будет гнать теплоноситель через него. От места, где присоединяются котлы к системе, теплоноситель будет двигаться в сторону системы отопления и по малому кругу через неработающий котел. Сопротивление на участке с неработающим котлом намного меньше, чем сопротивление системы отопления. По участку с отключенным котлом теплоносители будут проходить впустую гораздо больше, чем по системе отопления, где будет ощущаться его дефицит. Решают эту задачу — обратные клапаны. Эту же задачу можно решить и путем гидрострелки, но тогда эту уже будет другая система и другие затраты. Обратные клапаны можно установить, например, на возвратной магистрали.
Для автоматической системы одновременной работы двух котлов понадобится дополнительная деталь – это термостат, который будет отключать циркуляционный насос, если в системе есть дровяной котел или любой другой котел с неавтоматизированной загрузкой. Отключать насос у котла нужно обязательно. Потому что, когда в нем прогорит топливо, никакого смысла нет гонять впустую теплоноситель через данный котел, мешая работе второго котла. Который будет подхватывать работу когда первый — остановится. При максимальном диаметре и самом высоком бренде термостата для выключения насоса вы затратите не больше 4000 рублей и получите автоматическую систему.
Правила обвязки газового агрегата
Прежде чем начинать приобретать оборудование нужно получить Технические условия и разрешения на подключение к газопроводу. Газовая служба определяет, возможна ли в принципе установка газового котла, а также параметры газа в точке врезки. Далее владельцы выполняют проект теплоснабжения с привлечением специализированной организации, в котором будет в обязательном порядке указана схема обвязки. Данный проект согласовывается с газовой службой. Обычно на это уходит от 2-х недель до 3-х месяцев, только после этого можно покупать газовое оборудование.
Основные правила:
- Перед тем, как начинать выполнять обвязку газового котла для отопления, его устанавливают в помещении, которое должно иметь минимальные параметры: площадь не менее 4м, высота – 2,5 м, а ширина дверного проема не менее – 0,8 м.
- В помещение должна быть естественная вентиляция и окна, размеры которых зависят от площади: 0,3 м2 окна на 10 м2.
- Все газопроводы должны быть стального изготовления.
- Дымоходная труба должна иметь диаметр, в зависимости от мощности котла: 30 кВт – 13 см, 40 кВт – 17 см, но при этом она не должна быть меньшей, чем выходной дымовой патрубок из котла.
- Наружная часть дымохода, должна быть выше крыши не менее чем на 50 см.
- В помещении котельной устанавливают датчик по загазованности и клапан-отсекатель газа.
- Оборудование котла должно быть надежно заземлено.
- Система подачи электроэнергии оборудуется токовой защитой и теплоизоляцией.
- Обвязка элементов рабочей схемы выполняется с применением трубопроводов, которые могут быть из оцинкованной стали, чугуна, меди и пластика.
- Участки труб на выходе из котла выполняются только металлическими, протяженностью не менее 1.0 м.
В последнее время наибольшую популярность получили металлопластиковые на пресс-фитингах и полипропиленовые трубы с алюминиевым армированием. Преимущество их бесспорно, и в части надежной быстрой сборки, и в части стоимостного показателя, кроме того такой трубопровод может выдержать давление до 25 бар и температуру среды до 95 С. Тем не менее варианты имеют и недостатки, которые надо учитывать, приступая к монтажу. Пресс-фитинги очень чувствительны к качеству сборки, при малейшем перекосе может произойти утечка воды, а полипропилен имеет высокий коэффициент удлинения при температуре свыше 50С.
Особенности обвязки газовых котлов полипропиленом:
- Контуры отопления и ГВС выполняют: трубами PN 25 (2.5 атм, 95 С) и PN 20 (2.0 атм, 80 С).
- Соединение труб и фитингов выполняют путем холодной или горячей сварки, для соединения с металлическими участками используют резьбовые соединения.
- Во избежание разрушения полипропиленовых труб устанавливают компенсационные петли.
- Многослойные трубы имеют внутреннее армирование для компенсации. Фольга уменьшает удлинение в 2 раза, а стекловолокно в 5 раз.
- Перед сваркой удаляют фольгу с армированных трубопроводов.

Как происходит обвязка газового котла
Базовые принципы подключения твердотопливного агрегата
Рассматривая, как правильно подключить твердотопливный котел, необходимо обратить внимание на базовые элементы обвязки, обеспечивающие безопасность функционирования теплогенератора. Речь идет о группе безопасности и смесительном узле
Группа безопасности, в состав который входит манометр, а также предохранительный клапан и воздухоотводчик, смонтированные на одном коллекторе, устанавливается непосредственно на выходном патрубке котельного агрегата
Манометр помогает следить за давлением в системе, воздухоотводчик служит для удаления воздушных пробок, а предохранительный клапан сбрасывает излишки пароводяной смеси, когда давление превышает заданные параметры
Группа безопасности, в состав который входит манометр, а также предохранительный клапан и воздухоотводчик, смонтированные на одном коллекторе, устанавливается непосредственно на выходном патрубке котельного агрегата. Манометр помогает следить за давлением в системе, воздухоотводчик служит для удаления воздушных пробок, а предохранительный клапан сбрасывает излишки пароводяной смеси, когда давление превышает заданные параметры.
Смесительный узел на основе трехходового клапана с термоголовкой устанавливается совместно с байпасом (перемычкой), соединяющим трубу подачи и обратки, за счет чего формируется малый циркуляционный контур.
Работает система, предохраняющая котел от конденсата и температурного шока, по следующей схеме:
- Пока топливо разгорается, клапан перекрывает поток остывшего теплоносителя из большого контура системы отопления. В результате циркуляционный насос гоняет по малому кругу ограниченный объем теплоносителя.
- На трубе обратки установлен датчик, соединенный с термоголовкой трехходового клапана. Когда теплоноситель в обратном трубопроводе нагревается до 50-55 градусов, термоголовка срабатывает и нажимает на шток клапана.
- Клапан плавно приоткрывается и остывший теплоноситель начинает понемногу поступать в рубашку котла, смешиваясь с нагретым из байпаса.
- Когда все радиаторы прогреваются и температура обратки повышается до безопасных для котла значений, трехходовой клапан перекрывает байпас, полностью открывая проход потоку теплоносителя по обратному трубопроводу.
Базовая схема подключения твердотопливного котла к отопительной системе максимально проста и надежна, монтаж обвязки можно выполнить самостоятельно.
Важно знать, как подключить твердотопливный котел с использованием полимерных труб, чтобы избежать распространенных проблем :
- Полимерные трубы небезопасно использовать для обвязки котла – они могут не выдержать аварийного повышения температуры и давления. Поэтому обвязку рекомендуется выполнить сталью или медью, а полимерные трубы подсоединять уже к коллектору, распределяющему теплоноситель по отопительным контурам. В крайнем случае, металлическую трубу монтируют только между подающим патрубком котла и группой безопасности.
- Использование толстостенной полипропиленовой трубы для обратного трубопровода на участке между трехходовым клапаном и патрубком котла приводит к тому, что накладной температурный датчик реагирует на нагрев теплоносителя с заметным запозданием. Лучше установить металлическую трубу.
Насос для системы отопления с принудительной подачей теплоносителя устанавливается на трубу обратки между трехходовым клапаном и котлом. Такое расположение позволяет ему обеспечить циркуляцию воды или антифриза по малому кругу. Ставить циркуляционный насос на трубу подачи нельзя, поскольку устройство не рассчитано на работу с пароводяной смесью, которая образуется при перегреве теплоносителя. Остановка насоса ускорит или спровоцирует взрыв отопительного котла, поскольку в него перестанет поступать остывший теплоноситель.
Как удешевить обвязку
Базовая схема подключения твердотопливного котла предусматривает использование трехходового смесительного клапана, оснащенного термоголовкой и накладным датчиком. Это оборудование достаточно дорого стоит, и его можно заменить более дешевым вариантом – трехходовым клапаном с вмонтированным термостатическим элементом. Такое устройство отличается фиксированной настройкой – клапан срабатывает, когда температур среды достигает 55 или 60 градусов (в зависимости от модели).
Установка клапана, поддерживающего фиксированную температуру, снижает финансовые затраты на монтаж защиты твердотопливного агрегата от конденсата и термических перепадов. Теряется возможность гибко управлять температурой теплоносителя, отклонения от заданного значения могут достигать 1-2 градусов, но это не является критичным.





































