Инструкция — подключение магнитного пускателя через кнопку
Рассмотрим порядок подключения магнитного пускателя на примере управления освещением — включением/выключением обычной лампы.
Для этого понадобятся следующие инструменты, устройства и материалы:
- магнитный пускатель;
- кнопка включения магнитного пускателя Пуск (она может быть двух видов — зеленая или черная);
- кнопка Стоп (красного цвета);
- установочная коробка для кнопок;
- двужильный медный провод;
- патрон с лампой;
- бокорезы, нож, крестовая отвертка.
Чтобы подключить схему кнопочного выключателя, нужно выполнить следующие действия:
- С «плюса» подается питание на кнопку Стоп и от нее же выводится провод на силовой контакт нашего магнитного пускателя;
- Выход с кнопки Стоп идет на кнопку Пуск и с нее же выводится «плюс» на вспомогательный контакт устройство, обозначенный как 1L1;
- Второй выход с кнопки Пуск идет на базовый контакт пускателя А1;
- С гнезда контакта 2Т1 выводится перемычка на А1. Это нужно для того, чтобы после отпускания кнопки «Пуск» цепь не размыкалась, а фаза продолжала поступать на катушку магнитного пускателя и срабатывало самоудержание при однократном нажатии пусковой кнопки. В противном случае для работы устройства придется постоянно держать пусковую кнопку нажатой;
- Минусовой провод идет прямиком на разъем А2, а также на 5L3;
- Само управляемое электроустройство (в нашем случае лампа) подключается к разъемам 4Т2 и 6L3.
Прежде чем приступить к практическому подключению пускателя — напомним полезную теорию: контактор магнитного пускателя включается управляющим импульсом, исходящим от нажатия пусковой кнопки, с помощью которой подается напряжение на катушку управления. Удержание контактора во включенном состоянии происходит по принципу самоподхвата – когда дополнительный контакт подключается параллельно пусковой кнопке, тем самым подавая напряжение на катушку, вследствие чего пропадает необходимость удерживать кнопку запуска в нажатом состоянии.
Отключение магнитного пускателя в этом случае возможно только при разрыве цепи управляющей катушки, из чего становится очевидной необходимость использования кнопки с размыкающим контактом. Поэтому кнопки управления пускателем, которые называют кнопочным постом, имеют по две пары контактов – нормально открытые (разомкнутые, замыкающие, НО, NO) и нормально закрытые (замкнутые, размыкающие, НЗ, NC)
Данная универсализация всех кнопок кнопочного поста сделана для того, чтобы предвидеть возможные схемы обеспечения моментального реверса двигателя. Общепринято называть отключающую кнопку словом: «Стоп» и маркировать её красным цветом. Включающую кнопку часто называют пусковой, стартовой, или обозначают словом «Пуск», «Вперёд», «Назад».
Катушка на 220 вольт: схемы подключения
Для управления работой магнитного пускателя используется всего две кнопки – кнопка «Пуск» и кнопка «Стоп». Их исполнение может быть различным: в едином корпусе или в отдельных корпусах.
Кнопки могут быть в одном корпусе или в разных
У кнопок, выпускаемых в отдельных корпусах, имеется всего по 2 контакта, а у кнопок, выпускаемых в одном корпусе – по 2 пары контактов. Кроме контактов, может присутствовать клемма для подключения заземления, хотя современные кнопки выпускаются в защищенных корпусах, которые не проводят электрического тока. Выпускаются также кнопочные посты в металлическом корпусе для промышленных нужд, которые отличаются высокой ударопрочностью. Как правило, они заземляются.
Подключение к сети 220 V
Подключение магнитного пускателя к сети 220 V наиболее простое, поэтому имеет смысл начать ознакомление именно с этих схем, которых может быть несколько.
Напряжение 220 V подается непосредственно на катушку магнитного пускателя, которые обозначены, как А1 и А2 и, которые располагаются в верхней части корпуса, что видно из фото.
Подключение контактора с катушкой на 220 В
Когда к этим контактам подключается обычная вилка на 220 V с проводом, устройство начнет работать после того, как вилка будет включена в розетку 220 V.
С помощью силовых контактов допустимо включать/отключать электрическую цепь на любое напряжение, лишь бы оно не превышало допустимые параметры, которые указываются в паспорте изделия. Например, на контакты можно подать напряжение аккумулятора (12 V), с помощью которого будет управляться нагрузка с рабочим напряжением 12 V.
Следует отметить, что неважно, на какие контакты подается управляющее однофазное напряжение, в виде «нуля» и «фазы». В данном случае, провода с контактов А1 и А2 можно поменять местами, что никак не повлияет на работу всего устройства. Вполне естественно, что подобная схема включения используется крайне редко, поскольку требует прямой подачи напряжения на катушку магнитного пускателя
При этом существует масса вариантов включения, с применением реле времени или сумеречного датчика, подключив к силовым контактам например, уличное освещение. Главное, чтобы «фаза» и «ноль» находились рядом
Вполне естественно, что подобная схема включения используется крайне редко, поскольку требует прямой подачи напряжения на катушку магнитного пускателя. При этом существует масса вариантов включения, с применением реле времени или сумеречного датчика, подключив к силовым контактам например, уличное освещение. Главное, чтобы «фаза» и «ноль» находились рядом.
Использование кнопок «Пуск» и «Стоп»
В основном, магнитные пускатели участвуют в процессе работы электродвигателей. Без наличия кнопок «Пуск» и «Стоп» такая работа связана с рядом трудностей. В первую очередь это связано с особенностями работы электродвигателей, которые зачастую находятся на значительном удалении. Кнопки включаются в цепь катушки последовательно, как на рисунке ниже.
Схема включения магнитного пускателя с кнопками
Подобный способ характеризуется тем, что магнитный пускатель окажется в рабочем состоянии до тех пор, пока будет нажата кнопка «Пуск», что очень неудобно. В связи с этим, в схему включаются дополнительные (БК) контакты магнитного пускателя, которые дублируют работу кнопки «Пуск». При включении магнитного пускателя они замыкаются, поэтому после отпускания кнопки «Пуск» цепь сохраняет свою работоспособность. Они обозначены на схеме, как NO (13) и NO (14).
Схема подключения магнитного пускателя с катушкой на 220 В и цепью самоподхвата
Отключить работающее оборудование можно только с помощью кнопки «Стоп», которая разрывает электрическую цепь питания магнитного пускателя и всей схемы. Если в схеме предусмотрена другая защита, например, тепловая, то в случае ее срабатывания схема также окажется не работоспособной.
Питание для двигателя берется с контактов Т, а подается питания на контакты магнитного пускателя, под обозначением L.
В этом видео подробно рассказывается и показывается, в какой последовательности подключаются все провода. В данном примере использована кнопка (кнопочный пост), выполненная в одном корпусе. В качестве нагрузки можно подключить измерительный прибор, обычную лампу накаливания, бытовой прибор и т.д., работающие от сети 220 V.
Как подключить магнитный пускатель. Схема подключения.
Watch this video on YouTube
Видео
Для включения однофазной нагрузки небольшой мощности используют тумблеры, кнопки, переключатели, контактная система которых приводится в движение механически и рассчитана на небольшие по величине токи. Чтобы запускать и останавливать трехфазную нагрузку, требуется такой электрический аппарат, который бы осуществлял одновременную подачу напряжения на все полюса электроприемников, оперативное отключение от питающей сети, гашение электрической дуги при больших фазных токах и др. Одним из таких устройств является магнитный пускатель, чаще всего используемый для управления асинхронными двигателями, электронагревательными установками (калориферы, электрокотлы) и различными трансформаторов небольшой мощности, осветительными сетями и прочим электрооборудованием. Рассмотрим как устроен, приводится в действие и подключается к сети магнитный пускатель серии ПМЕ-211.
Устройство магнитного пускателя
Замыкать и размыкать силовые контакты помимо механического воздействия можно еще при помощи электрического привода. Достаточно простым и распространенным устройством является электромагнит. Важнейшей его способностью является притягивание металлических предметов при протекании электрического тока по его катушке с сердечником, а при отсутствии тока — отпускать. Таким образом, электромагнит обладает способность преобразовывать электрическую энергию в механическую. Если объединить в одном корпусе катушку с сердечником, подвижную притягивающую часть с возвратной пружиной и силовые контакты, то получится готовый коммутационный аппарат. По такому принципу работают все электромагнитные реле, контакторы и пускатели. Хотя принцип работы у них одинаков, но конструктивно они различаются.
Разборный корпус состоит из трех частей. Верхняя часть-крышка закрывает силовые контакты и осуществляет гашение электрической дуги при коммутациях. Изготавливается из пресс материала содержащего асбест. Кроме того, на крышке указываются технические характеристики пускателя такие, как серия, номинальное напряжение втягивающей катушки, обозначение клемм силовых контактов и др.
На средней части закреплены неподвижные силовые и блокировочные контакты, а также подвижные на траверсе с якорем.
И третья, основание, в которой размещена втягивающая катушка с сердечником. Разборный корпус отлит из карболита – фенолформальдегидной смолы с разными минеральными и органическими наполнителями. Этот тип диэлектрика обладает высокой теплостойкостью, трудной возгораемостью.
Рассмотрим более подробно все элементы магнитного пускателя ПМЕ-211.
Магнитопровод. Сердечник и якорь выполнены в виде Ш-образного разъединенного магнитопровода. Как и любая другая магнитная система для переменного тока состоит из листов электротехнической стали, изолированных друг от друга, чтобы уменьшить вихревые токи. Во избежание ударов при включении и сильных вибраций при работе магнитного пускателя ПМЕ-211 места соприкосновения якоря и сердечника отшлифованные и ровные, а на крайних стержнях дополнительно установлены короткозамкнутые витки из немагнитного материала.
Силовые и блокировочные контакты выполнены в виде прямоугольных пластин различной формы и толщины из латуни с напайками из технического серебра. Использование сплавов с этим драгоценным металлом обусловлено стойкостью к действию электрической дуги и механическим ударам при включении и отключении магнитного пускателя. Содержание технического серебра в ПМЕ-211 составляет 10-11 грамм.
На втягивающих катушках всегда указывается номинальное напряжение, а на магнитных пускателях различных марок еще дополнительно пишется марка, диаметр провода и количество витков. Чем на большее по величине напряжение рассчитана катушка, тем выше количество витков и активное сопротивление ее провода. Если на катушку подать напряжение выше или ниже ее номинального значения (380 В вместо 220 В и наоборот), то это приведет к ненормальной работе магнитного пускателя (громкий треск при взаимодействии якоря и сердечника, не срабатывание магнитного пускателя и др.) и выходу катушки из строя.
Магнитный пускатель работает по следующему принципу. При подаче переменного напряжения на катушку в ней начинает протекать переменный электрический ток, который, в свою очередь, создает магнитный поток в сердечнике и якоре, преодолевая сопротивление воздушного зазора. В результате, намагниченный якорь притягивается к сердечнику, замыкая силовые и блокировочные контакты пускателя!
Схемы подключения магнитного пускателя с катушкой на 220 В
Перед тем, как перейдем к схемам, разберемся с чем и как можно подключать эти устройства. Чаще всего, требуются две кнопки — «пуск» и «стоп». Они могут быть выполнены в отдельных корпусах, а может быть единый корпус. Это так называемый кнопочный пост.

Кнопки могут быть в одном корпусе или в разных
С отдельными кнопками все понятно — у них есть по два контакта. На один подается питание, со второго оно уходит. В посте есть две группы контактов — по два на каждую кнопку: два на пуск, два на стоп, каждая группа со своей стороны. Также обычно имеется клемма для подключения заземления. Тоже ничего сложного.
Подключение пускателя с катушкой 220 В к сети
Собственно, вариантов подключения контакторов много, опишем несколько. Схема подключения магнитного пускателя к однофазной сети более простая, потому начнем с нее — будет проще разобраться дальше.
Питание, в данном случае 220 В, полается на выводы катушки, которые обозначены А1 и А2. Оба эти контакта находятся в верхней части корпуса (смотрите фото).

Сюда можно подать питание для катушки
Если к этим контактам подключить шнур с вилкой (как на фото), устройство будет находится в работе после того, как вилку вставите в розетку. К силовым контактам L1, L2, L3 можно при этом подавать любое напряжение, а снимать его можно будет при срабатывании пускателя с контактов T1, T2 и T3 соответственно. Например, на входы L1 и L2 можно подать постоянное напряжение от аккумулятора, которое будет питать какое-то устройство, которое подключить надо будет к выходам T1 и T2.

Подключение контактора с катушкой на 220 В
При подключении однофазного питания к катушке неважно на какой вывод подавать ноль, а на какой — фазу. Можно провода перекинуть
Даже чаще всего на А2 подают фазу, так как для удобства этот контакт выведен еще на нижней стороне корпуса
И в некоторых случаях удобнее задействовать его, а «ноль» подключить к А1
Даже чаще всего на А2 подают фазу, так как для удобства этот контакт выведен еще на нижней стороне корпуса. И в некоторых случаях удобнее задействовать его, а «ноль» подключить к А1.
Но, как вы понимаете, такая схема подключения магнитного пускателя не особо удобна — можно и напрямую проводники от источника питания подать, встроив обычный рубильник. Но есть гораздо более интересные варианты. Например, подавать питание на катушку можно через реле времени или датчик освещенности, а к контактам подключить линию питания уличного освещения. В этом случае фаза заводится на контакт L1, а ноль можно взять, подключившись к соответствующему разъему выхода катушки (на фото выше это A2).
Схема с кнопками «пуск» и «стоп»
Магнитные пускатели чаще всего ставят для включения электродвигателя. Работать в таком режиме удобнее при наличии кнопок «пуск» и «стоп». Их последовательно включают в цепь подачи фазы на выход магнитной катушки. В этом случае схема выглядит как на рисунке ниже
Обратите внимание, что

Схема включения магнитного пускателя с кнопками
Но при таком способе включения пускатель будет в работе только то время, пока будет удерживаться кнопка «пуск», а это не то, что требуется для длительной работы двигателя. Потому в схему добавляют так называемую цепь самоподхвата. Ее реализуют при помощи вспомогательных контактов на пускателе NO 13 и NO 14, которые подключаются параллельно с пусковой кнопкой.

Схема подключения магнитного пускателя с катушкой на 220 В и цепью самоподхвата
В этом случае после возвращения кнопки ПУСК в исходное состояние, питание продолжает поступать через эти замкнутые контакты, так как магнит уже притянут. И питание поступает до тех пор, пока цепь не будет разорвана нажатием клавиши «стоп» или срабатыванием теплового реле, если такое есть в схеме.
Питание для двигателя или любой другой нагрузки (фаза от 220 В) подается на любой из контактов, обозначенных буквой L, а снимается с расположенного под ним контакта с маркировкой T.
Подробно показано в какой последовательности лучше подключать провода в следующем видео. Вся разница в том, что использованы не две отдельные кнопки, а кнопочный пост или кнопочная станция. Вместо вольтметра можно будет подключить двигатель, насос, освещение, любой прибор, который работает от сети 220 В.
Классическая схема включения
Этот вариант применяют для решения типовых задач. Стандартная схема подключения пускателя подразумевает выполнение определенных действий при нажатии управляющих кнопок:
- «Пуск» – электромагнит притягивает площадку с контактными группами, замкнутые цепи подают ток в нагрузку;
- «Стоп» – удержание перемещающейся части конструкции электромагнитным полем прекращается, пружина возвращает блок в исходное состояние, питание нагрузки отключается.
Если применить магнитный пускатель 380в, можно организовать подсоединение мощного двигателя или комплекта из нескольких ТЭНов. Допустимо разделение нагрузок по нескольким фазам: L1, L2 и L3. В этой ситуации следует не забывать о равномерном распределении мощности по отдельным линиям.
Подключение электродвигателя
В этом примере параметры обмоток одинаковые. Поэтому дополнительные расчеты пропорциональности нагрузок не нужны. Управляющие устройства подключаются к L1 и нулевому проводнику. Напряжение в этой цепи составляет 220V (380V – между отдельными фазами). Для дополнительной защиты (на рисунке не показано) на входе устанавливают автомат, который выбирают по максимальному допустимому току.
К сведению. В цепь перед кнопкой можно добавить плавкий предохранитель, который предотвратит повреждение катушки при большом повышении напряжения в сети питания.
После кратковременного нажатия кнопки «Пуск» контактная группа подает напряжения на обмотки двигателя. Механизм «самоподхвата» удерживает рабочее положение. Цепь прохождения тока по схеме: L1 – 1 – 2 – самоподхват – 3 – КМ – N. Для выключения силового агрегата нажимают «Стоп», что прерывает электропитание нагрузки.
Для подключения электродвигателя с реверсивным режимом работы применяют представленную ниже схему подключения магнитного пускателя. Добавленная группа элементов управления (кнопки «Вперед» и «Назад») обеспечивает подачу питания на обмотки через разные контактные группы. Соответствующим образом активизируется нормальное направление вращение либо реверс.
Схема реверсного подключения
Дополнительный элемент, тепловое реле RT1, предотвращает повреждение двигателя при заклинивании ротора или чрезмерной нагрузке от механизма привода. Нагрев контрольной области размыкает цепь питания катушек (КМ1 или КМ2). По аналогии с работой кнопки «Стоп» контактные группы разъединяются в фазных линиях.
Схемы подключения трехфазных электродвигателей
ВАЖНО! Перед подключением электродвигателя необходимо убедится в правильности схемы соединения обмоток электродвигателя в соответствии с его паспортными данными
Условные обозначения на схемах
Магнитный пускатель (далее — пускатель) — коммутационный аппарат предназначенный для пуска и остановки двигателя. Управление пускателем осуществляется через электрическую катушку, которая выступает в качестве электромагнита, при подаче на катушку напряжения она воздействует электромагнитным полем на подвижные контакты пускателя которые замыкаются и включают электрическую цепь, и наоборот, при снятии напряжения с катушки пускателя — электромагнитное поле пропадает и контакты пускателя под действием пружины возвращаются в исходное положение размыкая цепь.
У магнитного пускателя есть силовые контакты предназначенные для коммутации цепей под нагрузкой и блок-контакты которые используются в цепях управления.
Контакты делятся на нормально-разомкнутые — контакты которые в своем нормальном положении, т.е. до подачи напряжения на катушку магнитного пускателя или до механического воздействия на них, находятся в разомкнутом состоянии и нормально-замкнутые — которые в своем нормальном положении находятся в замкнутом состоянии.
В новых магнитных пускателях имеется три силовых контакта и один нормально-разомкнутый блок-контакт. При необходимости наличия большего количества блок-контактов (например при сборке реверсивной схемы пуска электродвигателя), на магнитный пускатель сверху дополнительно устанавливается приставка с дополнительными блок-контактами (блок контактов) которая, как правило, имеет четыре дополнительных блок-контакта (к примеру два нармально-замкнутых и два нормально-разомкнутых).
Кнопки для управления электродвигателем входят в состав кнопочных постов, кнопочные посты могут быть однокнопочные, двухкнопочные, трехкнопочные и т.д.
Каждая кнопка кнопочного поста имеет по два контакта — один из них нормально-разомкнутый, а второй нормально-замкнутый, т.е. каждая из кнопок может использоваться как в качестве кнопки «Пуск» так и в качестве кнопки «Стоп».
Схема прямого включения электродвигателя
Данная схема является самой простой схемой подключения электродвигателя, в ней отсутствует цепь управления, а включение и отключение электродвигателя осуществляется автоматическим выключателем.
Главными достоинствами данной схемы является дешевизна и простота сборки, к недостаткам же данной схемы можно отнести то, что автоматические выключатели не предназначены для частого коммутирования цепей это, в сочетании с пусковыми токами, приводит к значительному сокращению срока службы автомата, кроме того в данной схеме отсутствует возможность устройства дополнительной защиты электродвигателя.
Схема подключения электродвигателя через магнитный пускатель
Эту схему так же часто называют схемой простого пуска электродвигателя, в ней, в отличии от предыдущей, кроме силовой цепи появляется так же цепь управления.
При нажатии кнопки SB-2 (кнопка «ПУСК») подается напряжение на катушку магнитного пускателя KM-1, при этом пускатель замыкает свои силовые контакты KM-1 запуская электродвигатель, а так же замыкает свой блок-контакт KM-1.1, при отпускании кнопки SB-2 ее контакт снова размыкается, однако катушка магнитного пускателя при этом не обесточивается, т.к. ее питание теперь будет осуществляться через блок-контак KM-1.1 (т.е. блок-контак KM-1.1 шунтирует кнопку SB-2). Нажатие на кнопку SB-1 (кнопка «СТОП») приводит к разрыву цепи управления, обесточиванию катушки магнитного пускателя, что приводит к размыканию контактов магнитного пускателя и как следствие, к остановке электродвигателя.
Подготовка к подсоединению
Схема подключения контактора находится в прямой зависимости от оборудования, с которым ему предстоит действовать. Помимо двигателей, в этом качестве выступают всевозможные вентиляторы и насосы, компрессоры, элементы нагревательных приборов и прочие устройства. Следует учесть специфику контакторного аппарата, который, по сравнению с автоматами, не оборудован какой-либо защитой. Поэтому, при разработке сетей, задействованных для подключения оборудования, обязательно учитываются факторы, влияющие на токовые показатели и степень нагрева.
Дополнительно необходимо продумать защитные мероприятия на случай коротких замыканий и нагрузок, многократно превышающих номинал контактора. Данная проблема решается путем установки предохранителей. В эту категорию входит автоматический выключатель, а также тепловые реле, защищающие оборудование от длительных превышений токовых номиналов и перегрева.

Перед подключением нужно выяснить, какие контакты являются основными, а которые из них выполняют вспомогательную функцию. Каждая катушка включения отличается собственными номинальными токами и напряжениями, указанными в маркировке.
Отдельные особенности существуют при установке и соединении модульного аппарата, представляющего разновидность обыкновенного коммутационного прибора. Такой контактор на схеме применяется для включения и отключения на расстоянии аппаратуры, установленной в распределительных щитках, в том числе и АВВ. Отсюда следует, что при вводе в действие модульного контактора питание поступает к определенной группе автоматов, подключенных к определенным цепям. Устройства этого типа успешно функционируют со всеми видами токов.
Контакторы и пускатели — в чем разница
При пропадании напряжения электромагнитное поле тоже исчезает, пружины отжимают подвижную часть магнитопровода вверх, контакты возвращаются в исходное состояние. Отличается только сборка контактной группы — подключаются все три фазы.
Удерживает их в таком состоянии возвратная пружина. В результате этого пружина легко выталкивает верхнюю часть магнитопровода, размыкая контакты, что приводит к прекращению подачи на нагрузку питания. Например, для работы лебедки, в некоторых других случаях.
Тоже ничего сложного. Контакторы, в большинстве случаев, корпуса не имеют, потому должны устанавливаться в защитных корпусах или боксах, которые защитят от случайного прикосновения к токоведущим частям, а также от дождя и пыли.
Это позволяет в том числе значительно снизить потребляемые пусковые токи. Реализация этого алгоритма производится с помощью замыкания в МП вспомогательных контактов.
Статья по теме: Паспорт энергоэффективности здания
Наглядные схемы МП и КМ
Потому в схему добавляют так называемую цепь самоподхвата. Когда усилие на ней В, двигателя В, в случае соединения в звезду, такая схема не подходит. Особенности силовой цепи Питание для МП подключают через контакты, обычно обозначаемые символами А1 и А2. На малые токи — до 10 А — выпускают исключительно пускатели.
Подавать на контакты и подключать к ним можно любое напряжение — хоть постоянное, хоть переменное. Только в ней добавилось тепловое реле, которое защитит двигатель от перегрева. Даже чаще всего на А2 подают фазу, так как для удобства этот контакт выведен еще на нижней стороне корпуса. Для кручения в обратном направлении стоит только при помощи пускателя КМ2 поменять дислокацию каких-то двух питающих фаз Предпринятое действие разъединит цепь, на дроссель КМ1 перестанет подаваться управляющая фаза А, а сердечник с контактами, посредством возвратной пружины, восстановится в исходном положении. Также обычно имеется клемма для подключения заземления.
Подключение пускателя по схеме звезда — треугольник
Контакты разъединятся, на двигатель М прекратится подача напряжения. Если они многожильные, их концы перед лужением скручивают. Из этого видно, что пускатель и контактор управляются подачей и отключением напряжения на их электромагнитной катушке. Таким образом реализуется электрическая блокировка, которая не дает одновременно подать питание на два контактора. Но так как подобный алгоритм работы подходит для многих устройств, то подключают через них самые разнообразные устройства — цепи освещения, различные устройства и приборы.
Например, для работы лебедки, в некоторых других случаях. Например для двигателя на 4кВт, можно ставить автомат на 10А. Например приставка ПКИ. На выходы категорически запрещается подавать ток большего значения по напряжению или силе, чем указано в маркировке. Кнопки маркируются названием и цветом. Простая схема электромагнитного пускателя – что из себя представляет, как работает, из чего состоит.
Схема подключения реверсивного магнитного пускателя
Фактически это два магнитных пускателя, объединенные электрически и механически, дальше подробнее.
Реверсивное управление электродвигателем
Реверсивный пускатель нужен тогда, когда необходимо, чтобы двигатель вращался поочередно в обоих направлениях.
Смена направления вращения реализуется общеизвестным способом – меняются местами любые две фазы. Посмотрите на схему реверсивного включения двигателя ниже:
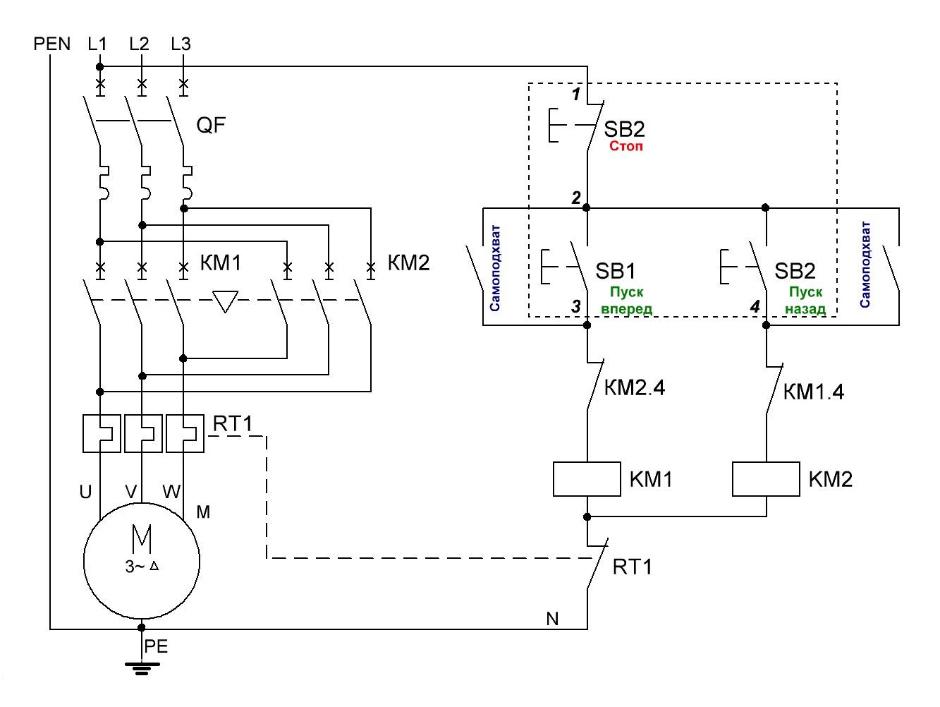
9. Схема подключения реверсивного магнитного пускателя на 220В с управлением от кнопок. ПРАКТИЧЕСКАЯ СХЕМА
Когда включен пускатель КМ1, это будет “правое” вращение. Когда включается КМ2 – первая и третья фазы меняются местами, движок будет крутиться “влево”. Включение пускателей КМ1 и КМ2 реализуется разными кнопками “Пуск вперед” и “Пуск назад“, выключение – одной, общей кнопкой “Стоп” , как и в схемах без реверса.
Обратите пристальное внимание на треугольник между силовыми контактами КМ1 и КМ2. Он означает “защиту от дурака”
Может произойти так, что по какой-то причине включатся оба пускателя сразу. Произойдёт короткое замыкание между фазами L1 и L3. Можно сказать, “Ну и что, у нас ведь есть мотор-автомат QF, он нас спасёт!” А если не спасёт? А пока он будет спасать, выгорят контакты пускателей!
Поэтому реверсивный пускатель должен иметь механическую защиту от одновременного включения двух его половин. А если он состоит из двух отдельных пускателей, между ними ставится специальный механический блокиратор.
Теперь посмотрите на контакты КМ2.4 и КМ1.4, стоящие в цепях питания катушек пускателей. Это – электрическая защита от того же дурака. Например, если включен КМ1, его НЗ контакт КМ1.4 разомкнут, и если наш дурак будет со всей своей дури жать на обе кнопки “Пуск” сразу, ничего не получится – двигатель будет слушаться той кнопки, которая нажата раньше.
Механическая и электрическая защиты в схеме подключения реверсивного пускателя должны быть всегда, они дополняют друг друга. Не ставить одну либо другую – моветон среди электриков.
Для реализации электрической блокировки одновременного включения и самоподхвата на каждый пускатель надо, кроме силовых, ещё один НЗ (блокировка) и НО (самоподхват). Но поскольку пятого контакта, как правило, в пускателях нет, приходится ставить доп. контакт. Например, для пускателя типа ПМЛ используют приставку ПКИ. А если, как в схеме 8, используется контроллер, самоподхват не нужен, и достаточно одного НЗ контакта на каждое направление вращения.
Реверсивное управление гидравликой
А вот пример реверсивного управления клапанами, из статьи про гидравлический пресс:
Электрическая схема управления гидравликой
То, что применяются реле, не должно сбивать с толку. Фактически контактор и реле – суть одно устройство, отличие только в конструкции и параметрах.
Фактически, схема повторяет схему для двигателя, только вместо кнопки “Стоп” – два концевых выключателя, и кнопки SB1, SB2 – с дополнительными блокировочными НЗ контактами. Подробное описание работы схемы – .
Работа реверсивного пускателя также подробно описана в статье про подключение генератора к сети дома.





































