Трехфазный асинхронный двигатель с фазным ротором
До широкого распространения частотных преобразователей асинхронные двигатели средней и большой мощности делали с фазным ротором. Трехфазные асинхронные двигатели с фазным ротором (АДФР) обычно применяли в устройствах с тяжелыми условиями пуска, например в качестве крановых двигателей переменного тока, или же для привода устройств, требующих плавного регулирования частоты вращения.
Конструкция АДФР
Фазный ротор
Конструктивно фазный ротор представляет из себя трехфазную обмотку (аналогичную обмотки статора) уложенную в пазы сердечника фазного ротора. Концы фаз такой обмотки ротора обычно соединяются в “звезду”, а начала подключают к контактным кольцам, изолированным друг от друга и от вала. Через щетки к контактным кольцам обычно присоединяется трехфазный пусковой или регулировочный реостат. Асинхронные двигатели с фазным ротором имеют более сложную конструкцию, чем у двигателей с короткозамкнутым ротором, однако обладают лучшими пусковыми и регулировочными свойствами.
Фазный ротор
Статор АДФР
Статор асинхронного двигателя с фазным ротором по конструкции не отличается от статора асинхронного двигателя с короткозамкнутым ротором.
Обозначение выводов вторичных обмоток трехфазного АДФР
Обозначение выводов обмоток ротора вновь разрабатываемых трехфазных машин согласно ГОСТ 26772-85
| Схема соединения обмоток, наименование фазы и вывода | Обозначение вывода | |
|---|---|---|
| Начало | Конец | |
| Открытая схема (число выводов 6) | ||
| первая фаза | K1 | K2 |
| вторая фаза | L1 | L2 |
| третья фаза | M1 | M2 |
| Соединение в звезду (число выводов 3 или 4) | ||
| первая фаза | K | |
| вторая фаза | L | |
| третья фаза | M | |
| точка звезды (нулевая точка) | Q | |
| Соединение в треугольник (число выводов 3) | ||
| первый вывод | K | |
| второй вывод | L | |
| третий вывод | M |
Обозначение выводов обмоток ротора ранее разработанных и модернизируемых трехфазных машин согласно ГОСТ 26772-85
| Схема соединения обмоток, наименование фазы и вывода | Обозначение вывода |
|---|---|
| Соединение звездой (число выводов 3 или 4) | |
| первая фаза | Р1 |
| вторая фаза | Р2 |
| третья фаза | Р3 |
| нулевая точка | |
| Соединение треугольником (число выводов 3) | |
| первый вывод | Р1 |
| второй вывод | Р2 |
| третий вывод | Р3 |
Примечание: Контактные кольца роторов асинхронных двигателей обозначают так же, как присоединенные к ним выводы обмотки ротора, при этом расположение колец должно быть в порядке цифр, указанных в таблице, а кольцо 1 должно быть наиболее удаленным от обмотки ротора. Обозначение самих колец буквами необязательно.
Пуск АДФР
Пуск двигателей с фазным ротором производится с помощью пускового реостата в цепи ротора.
Применяются проволочные и жидкостные реостаты.
Металлические реостаты являются ступенчатыми, и переключение с одной ступени на другую осуществляется либо вручную с помощью рукоятки контроллера, существенным элементом которого является вал с укрепленными на нем контактами, либо же автоматически с помощью контакторов или контроллера с электрическим приводом.
Жидкостный реостат представляет собой сосуд с электролитом, в котором опущены электроды. Сопротивление реостата регулируется путем изменения глубины погружения электродов .
Для повышения КПД и снижения износа щеток некоторые АДФР содержат специальное устройство (короткозамкнутый механизм), которое после запуска поднимает щетки и замыкает кольца.
При реостатном пуске достигаются благоприятные пусковые характеристики, так как высокие значения моментов достигаются при невысоких значениях пусковых токов. В настоящее время АДФР заменяются комбинацией асинхронного электродвигателя с короткозамкнутым ротором и частотным преобразователем.
ГОСТ 27471-87 Машины электрические вращающиеся. Термины и определения.
ГОСТ 26772-85 Машины электрические вращающиеся. Обозначение выводов и направление вращения.
А.И.Вольдек. Электрические машины. Учебник для студентов высш. техн. заведений. изд. 2-е, перераб. и доп.-Ленинград: Энергия, 1974.
Подключение трехфазного двигателя к сети 380В
Различают две базовые схемы (видео и схемы в следующем подразделе статьи):
- треугольник,
- звезда.
Преимущество соединения треугольником – работа на максимальной мощности. Но при включении электродвигателя в намотках продуцируются высокие пусковые токи, опасные для техники. При подключении звездой пуск мотора плавный, поскольку токи при нем низкие. Но достичь максимальной мощности при этом не получится.
В связи с вышесказанным двигатели при питании от 380 Вольт соединяют только звездой. Иначе высокий вольтаж при включении треугольником способен развить такие пусковые токи, что агрегат выйдет из строя. Но при высокой нагрузке выдаваемой мощности может не хватать. Тогда прибегают к хитрости: запускают двигатель звездой для безопасного включения, а затем переключаются с этой схемы на треугольник для набора высокой мощности.
Треугольник и звезда
Перед тем, как рассмотрим эти схемы, условимся:
- У статора есть 3 обмотки, у каждой из которых – по 1 началу и по 1 концу. Они выведены наружу в виде контактов. Поэтому для каждой намотки их 2. Будем обозначать: обмотка – О, конец – К, начало – Н. На схеме ниже 6 контактов, пронумерованных от 1 до 6. Для первой обмотки начало – 1, конец – 4. Согласно принятым обозначениям это НО1 и КО4. Для второй обмотки – НО2 и КО5, для третьей – НО3 и КО6.
- В электросети 380 Вольт 3 фазы: A, B и C. Их условные обозначения оставим прежними.
При соединении обмоток электродвигателя звездой сначала соединяют все начала: НО1, НО2 и НО3. Тогда к КО4, КО5 и КО6 соответственно подают питание от A, B и C.
При подключении асинхронного электродвигателя треугольником каждое начало соединяют с концом намотки последовательно. Выбор порядка номеров обмоток произвольный. Может получиться: НО1-КО5-НО2-КО6-НО3-КО2 .
Соединения звездой и треугольником выглядят так:
Смотрите видео, которое поможет разобраться в способах соединения намоток.
Переходная схема
Для плавного включения электродвигателя 380 в 3х фазную электросеть и высокой отдачи мощности запускают его звездой. После разгона он автоматически переключается со схемы и начинает работать треугольником. Недостаток метода – невозможность смены направления вращения вала.
- Первый на схеме обозначен МП1 (магнитный пускатель 1). Он соединяет начала намоток статора НО1, НО2 и НО3 с фазами сети напряжением 380 Вольт: А, В и С.
- Второй пускатель – МП2. Он соединяет концы обмоток КО4, КО5 и КО6 с фазными проводами А, В и С треугольником.
- Третий пускатель – МП3. Необходим для соединения концов намоток с 3х фазной сетью звездой.
Принцип работы:
- Включается первый пускатель;
- Срабатывает реле времени, которое включает третий магнитный пускатель (пуск звездой);
- Через заданное время реле отключает третий и включает второй пускатель (работа треугольником).
Работу прекращают через размыкание МП1. При повторном запуске пункты 1-3 повторятся.
Использование частотного преобразователя
При замыкании цепи поплавком будет замыкаться цепь катушки пускателя, и включаться электродвигатель, при размыкании — будет отключаться питание электродвигателя. То есть подключить к нему можно только электродвигатель, который имеет напряжение питания на В трёхфазной сети обычно это двигатели с шестью контактами в распаячной коробке, обмотки которых можно подключить как по звезде, так и по треугольнику. Подобное состояние оказывает негативное влияние на изоляцию проводов. Но это говорит лишь о том, что механизм перемычек реализован уже в самом двигателе.
Подключение треугольником выполняется ко второму пускателю, а подключение звездой — к третьему.
Он выполняет функцию блокировочного элемента и препятствует разрыву цепи при выключенной кнопке ПУСК.
Принцип работы схемы немного сложнее, рассмотрим в динамике. Подключение к однофазной сети Трехфазный агрегат с успехом можно подключить к однофазной сети.
Длительность работы нельзя прогнозировать. Дело в том, не всегда трёхфазная сеть имеет привычное напряжение в В.
Ниже вы видите брно и клеммники, которые в него устанавливаются. Это означает использование переключений выводов обмоток для получения по выбору одного из двух вариантов соединения обмоток.
В этом случае его необходимо его необходимо установить в разрыв между третьим контактом треугольника и нулевым проводом. Подключение к однофазной сети Для подключения трёхфазного электродвигателя В к однофазной сети В чаще всего используется схема с фазосдвигающими конденсаторами пусковыми и рабочими.
Как подключить магнитный пускатель. Схема подключения.
Как работает трёхфазный асинхронный двигатель?
Прежде всего, для работы трёхфазного асинхронного двигателя, необходимо создать вращающееся магнитное поле.
Создание вращающегося магнитного поля
Обмотки, которые расположены на статоре, равномерно смещены на 120 градусов относительно друг друга. Обмотка каждой фазы смещена относительно двух других на угол 120 градусов, то есть по обе стороны через 120 градусов расположены соседние фазы. Статор представляет собой полый цилиндр, который в сечении представляет собой кольцо. Внутри такого цилиндра расположен ротор. Три источника тока, отличатся друг от друга фазовым сдвигом. Этот сдвиг также составляет 120 градусов. В итоге, при прохождении трёхфазного переменного тока в обмотках статора, внутри статора образуется вращающееся магнитное поле.
В чем секрет создания вращения магнитного поля? Так как ток переменный, то создаваемое каждой фазой магнитное поле будет также переменным. Магнитный поток, который порождается прохождением тока в каждой обмотке, будет изменяться во времени точно также как породивший его ток. В то время когда один магнитный поток от первой фазы будет возрастать по величине, магнитный поток от второй фазы достигнет своего максимального значения и начнёт убывать по величине, магнитный поток от третьей фазы будет всё более уменьшаться, пока не достигнет своего минимального значения.
Магнитный поток переменного синусоидального тока любой из фаз изменяется по величине и направлению, тем самым чередуясь и пульсируя. Там где ранее был северный магнитный полюс, становится южный, а там где был южный полюс, там на его месте образуется северный полюс. Магнитное поле как бы пульсирует, но не вращается. Если пространственно равномерно по окружности расположить три катушки (соленоиды) так, чтобы их сердечники были направлены к центру окружности, а затем соединить в один общий магнитопровод наружные концы соленоидов (катушек), то мы получим прототип статора трёхфазного асинхронного двигателя. Подключив каждую катушку к источнику переменного тока, а именно к трём разным фазам, которые сдвинуты относительно друг друга на 120 градусов, мы получим не пульсирующее, а вращающееся магнитное поле.
По той причине, что магнитопровод будет общим, пульсирующие магнитные потоки от каждой катушки будут складываться с учётом направления и величины, тем самым образуя вращающийся вектор магнитного потока. Это удивительно, потому как статор неподвижен, но представляет собой магнит, поле такого магнита вращается, но статор остаётся неподвижен!!!
Как же преобразуется в дальнейшем электрическая энергия в механическую энергию? Если в статор, по обмоткам которого протекает трёхфазный ток и, соответственно, внутри него сосредоточено вращающееся магнитное поле, внести металлический предмет, то на него будет действовать механическая сила, которая будет пытаться этот предмет выкинуть из поля статора.
Как такое происходит? Магнитный поток статора индуцирует в короткозамкнутом роторе асинхронного двигателя ЭДС, так как цепь ротора замкнута, то по ней будет протекать электрический ток, который создаст второй магнитный поток – поток ротора. Взаимодействие двух встречных потоков ротора и статора создаст крутящий момент на роторе, и он начнёт вращаться. В соответствии с законом Ленца, ротор будет вращаться в том направлении, которое позволяет уменьшить магнитный поток статора.
Следует заметить, что принцип работы асинхронного двигателя не допускает синхронной скорости ротора с магнитным полем статора. В этом случае исчезнет ЭДС индукции в роторе, и ротор начнёт останавливаться. Синхронизация не достижима для асинхронного электродвигателя, скорость ротора в двигательном режиме может быть меньше скорости вращения магнитного поля.
Если ротору придать дополнительный крутящий момент от внешнего механического источника, так, чтобы его скорость стала больше чем скорость вращающегося магнитного поля статора, тогда электрическая машина перейдёт в генераторный режим работы, при котором происходит преобразование механической энергии в электрическую энергию.
Разница скоростей между статором и ротором позволяет говорить о таком явлении как скольжение ротора в магнитном поле статора. Необходимо помнить, что асинхронная электрическая машина переменного тока – это обратимая машина, которая может работать как в генераторном, так и двигательном режимах.
Подбор емкости конденсатора
Рабочее напряжение конденсатора должно быть не меньше 300 В. Лучше всего для схемы подходят конденсаторы марок БГТ, МБЧГ, МБПГ и МБГО. Все данные (тип, Uраб, емкость) указаны на корпусе.
Для расчета необходимой емкости следует воспользоваться формулой:
- для подключения «треугольником» С = (I/U)x4800;
- для подключения «звездой» С = (I/U)x2800.
Где С — емкость конденсатора в микрофарадах (мкФ), I — номинальный ток в обмотках (по паспорту), U — напряжение питания (220 В), а цифры — коэффициенты для разных типов подключения обмотки.
Что касается пусковых конденсаторов, то их емкость необходимо подбирать путем эксперимента. Обычно она составляет 2-3 от рабочего номинала.
Приведем пример расчета
Соединение — треугольник. Потребляемый номинальный паспортный ток — 3 А. Подставляя значения в формулу, получаем С=(3/220)х4800 = 65 мкФ. В этом случае емкость пускового конденсатора нужно выбирать в пределах 130-180 мкФ. Однако конденсаторов на 65 мкФ в продаже не бывает, поэтому собираем набор из 6 шт. по 10 мкФ и добавляем еще один — 5 мкФ.
Нужно учитывать, что при расчете использовались данные на номинальную мощность. Если двигатель будет работать с недогрузом, он будет перегреваться. В этом случае необходимо уменьшить емкость конденсаторов, чтобы снизить ток в обмотке. Но со снижением емкости уменьшится и мощность, которую может развить двигатель.
Поэтому при подключении рекомендуется действовать методом подбора. Начинать с минимально необходимой емкости, а затем постепенно увеличивать ее до получения оптимальных показателей.
Дополнительные замечания и предостережения:
- Следует помнить, что двигатель, переделанный с 380 на 220 В, при работе без нагрузки может просто сгореть.
- Двигатели мощнее 3 кВт не рекомендуется подключать к стандартной проводке жилого дома. Из-за высокой потребляемой мощности он будет выбивать пробки и автоматы, а если поставить более мощные автоматы, то может просто расплавиться изоляция на проводах. Это может привести к пожару или поражению током.
- Даже после отключения конденсаторы долго сохраняют напряжение на выводах. Поэтому при монтаже они должны быть ограждены, чтобы не допустить случайного касания. Перед работой с конденсаторами обязательно проводите их «контрольную» разрядку.
Подключение трехфазного двигателя на 380 вольт
Здесь вообще нет ничего сложного. Есть три фазы, есть три вывода двигателя и рубильник
Нулевую точку (где соединяются три обмотки, началами или концами – как я уже говорил выше, абсолютно неважно, как мы назовём выводы обмоток) при схеме соединения обмоток звездой, подключать к нулевому проводу не надо. То есть, для включения трехфазного двигателя в трехфазную сеть 380 вольт (если двигатель 220/380) нужно соединить обмотки по схеме звезда, и подать на двигатель только три провода с тремя фазами
А если двигатель 380/660 вольт, то схема соединения обмоток будет треугольник, ну а там точно нулевой провод некуда подключать.
Смена направления вращения вала трехфазного двигателя
Независимо от того, будет это конденсаторная схема включения или полноценная трехфазная, для смены вращения вала нужно поменять местами две любые обмотки. Другими словами поменять местами два любых провода.
На чём хочется остановиться более подробно. Когда мы считали ёмкость рабочего конденсатора, то мы использовали номинальный ток двигателя. Проще говоря, такой ток в двигателе будет только тогда, когда он будет полностью нагружен. Чем меньше нагружен двигатель, тем меньше будет ток, поэтому ёмкость рабочего конденсатора, полученная по этой формуле будет МАКСИМАЛЬНО ВОЗМОЖНОЙ ёмкостью для данного двигателя. Чем плохо использовать максимальную емкость для недогруженного двигателя – это вызывает повышенный нагрев обмоток. В общем, чем-то приходится жертвовать: маленькая ёмкость не даёт двигателю набрать полную мощность, большая ёмкость при недогрузке вызывает повышенный нагрев. Обычно в этом случае я предлагаю такой выход – сделать рабочие конденсаторы из четырёх одинаковых конденсаторов с переключателем или набором переключателей (что будет доступнее). Допустим, мы посчитали ёмкость 40 мкФ. Значит, для работы нам надо использовать 4 конденсатора по 10 мкФ (или три конденсатора 10, 10 и 20 мкФ) и в зависимости от нагрузки использовать 10, 20, 30 или 40 мкФ.
Ещё один момент по пусковым конденсаторам. Конденсаторы для переменного напряжения стоят гораздо дороже конденсаторов для постоянного. Использовать конденсаторы для постоянного напряжения в сетях с переменным, крайне не рекомендуется по причине того, что конденсаторы взрываются. Однако, для двигателей существует специальная серия конденсаторов Starter, предназначенная именно для работы, как пусковые. Использовать конденсаторы серии Starter в качестве рабочих тоже запрещено.
И в завершение нужно отметить такой момент – добиваться идеальных значений нет смысла, поскольку это возможно только, если нагрузка будет стабильной, например, если двигатель будет использоваться в качестве вытяжки. Погрешность в 30-40% это нормально. Другими словами, конденсаторы надо подбирать так, чтобы был запас по мощности в 30-40%.
Рассмотрим сначала как подключается трехфазный двигатель в сеть 380в.
Трехфазные двигатели бывают, как с тремя выводами — для подключения только на «звезду», так и с шестью соединениями, с возможностью выбора схемы ― звезда или треугольник. Классическую схему можно видеть на рисунке. Здесь на рисунке слева изображено подключение звездой. На фото справа, показано как это выглядит на реальном брне мотора.
Видно, что для этого необходимо установить специальные перемычки на нужные вывода. Эти перемычки идут в комплекте с двигателем. В случае когда имеется только 3 вывода, то соединение в звезду уже сделано внутри корпуса мотора. В таком случае изменить схему соединения обмоток попросту невозможно.
Некоторые говорят, что так делали для того, чтобы рабочие не воровали агрегаты по домам для своих нужд. Как бы там ни было, такие варианты двигателей, можно с успехом использовать для гаражных целей, но мощность их будет заметно ниже, чем соединенных треугольником.
Этапы переделки
Чтобы переделать электродвигатель с 380 Вольт на 220 сначала откиньте крышку мотора, чтобы посмотреть, сколько снаружи концов у статорных намоток. Их может быть 6 или 3. Если 6, то есть возможность поменять схему соединения: если была «звезда», можно перейти на «треугольник», и наоборот.
Если конца всего 3, значит, внутри короба намотки уже соединяются либо «звездой», либо «треугольником» (всего 6 концов, которые попарно объединяются клеммами, их и будет 3, так как на каждую клемму – 2 конца). В таком случае придется оставить прежнюю схему.
Соединение обмоток
Неважно, каков источник питания, трехфазный или однофазный, соединять статорные намотки можно любым из способов (можете прочитать подробнее про способы подключения электродвигателей):
Звездой обычно соединяют намотки, если двигатель будет питаться от сети 380 В. Благодаря этому пуск становится плавным, хотя теряется треть мощности. Треугольник же рекомендуется при запитывании от 220 Вольт. Пусковые токи при этом не так высоки по сравнению с теми, что возникают от трехфазного питания. Зато мощность равна той, что дает «звездное» соединение, если мотор подключен к 380 В.
Схемы посмотрите ниже. Разница в том, что в первом случае соединяются все начала так, что получается трехконечная звезда. А во втором – конец одной обмотки соединяется с началом следующей так, что образуется фигура с тремя вершинами (треугольник).
Расчет конденсаторов
Когда концы намоток соединяют звездой или треугольником, образуется 3 места, где они стыкуются. На этих местах ставят клеммы. При питании от 380 Вольт на каждую из них подают фазу. Но наша задача, имея те же 3 контакта, подать лишь 1 фазу 220 Вольт и нуль. Это можно реализовать своими руками, компенсировав отсутствие трехфазного питания конденсаторами. Пусковой будет активным только на время запуска, а рабочий – постоянно.
Чтобы электрический двигатель хорошо запускался и работал, нужно правильно подобрать емкость конденсаторов. У рабочего накопителя она зависит от схемы соединения. Если это звезда, то работает формула:
Если треугольник, то формула преобразует свой вид:
Ср – искомая емкость рабочего накопительного элемента. U – напряжение в сети (220 Вольт). I – сила тока, которую находят по формуле:
Р – мощность, U – уже известное нам напряжение, ƞ – КПД, косинус «фи» — коэффициент мощности. Все эти значения можно посмотреть в техническом паспорте от вашего трехфазного мотора.
Расчет емкости пускового конденсатора (Сп) прост: умножьте Ср на 1,5 или 2. Если Ср=50 мкФ, то Сп будет от 75 до 100 мкФ. Поочередно ставьте то одну емкость, то другую, запуская каждый раз мотор. По звуку хода слушайте: если нет гула, то все в порядке.
Сборка по схеме
Схема выше показывает, как правильно соединить своими руками намотки статора с конденсаторами и проводами сети 220 В. К одной из вершин треугольника или звезды нужно подключить накопительные элементы параллельно друг другу (предусмотрите ключ для ручного отключения пускового накопителя после разгона)
Затем их выводят либо на фазу, либо на ноль: неважно. От этого будет зависеть только направление вращения вала
Варианты подключения
Трехфазные двигатели имеют отличные характеристики, довольно широкий модельный ряд и применяются в самых разнообразных устройствах. Поэтому их применяют как в промышленных устройствах с трехфазным питанием, так и в бытовых однофазных электроустановках. Далее разберем оба варианта подключения электрических машин.
В однофазную сеть
Конструктивная особенность трехфазного агрегата, в отличии от однофазных асинхронных двигателей, состоит в необходимости сдвига фаз в обмотках, иначе вращения вала не будет происходить. Чтобы изменить ситуацию одну фазу разделяют для всех трех обмоток, в две из которых включаются дополнительная индуктивность и пусковая емкость. Которые и обеспечивают сдвиг тока и напряжения относительно напряжения в сети. Индуктивность позволяет осуществить сдвиг напряжения в отрицательную область до -90°, а вот однофазный конденсатор, наоборот, в положительную до +90°.
Графически функция отставания напряжения от тока будет выглядеть следующим образом:

Изменение тока и напряжения на емкости и индуктивности
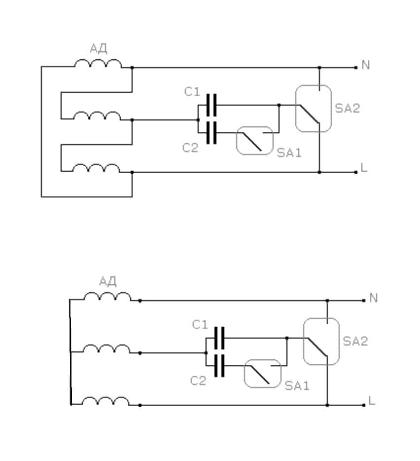
Однако на практике смещение обеспечивается только емкостными элементами, которые включаются в цепь электроснабжения одной из обмоток, а две другие запускаются между фазным и нулевым проводом. Схема подключения трехфазного двигателя в однофазной цепи приведена на рисунке ниже:

Схема включения в однофазную сеть
Как видите на рисунке, от фазного провода делается отпайка, содержащая конденсаторный однофазный магазин из двух элементов, один для пуска C2, второй для постоянной работы C1. При нажатии кнопки пуска происходит одновременное замыкание контактов SA1 и SA2, но после создания достаточного момента и начала вращения SA1 отбрасывается и выводит C1 из цепи, оставляя C2. Мощность, при такой схеме включения двигателя, снижается до 30 – 50%.
Расчет конденсаторного пуска производится по формуле:
Сраб = (2800*I)/U — для включения трехфазного двигателя звездой
Cраб = (4800*I)/U — для включения трехфазного двигателя треугольником
Пусковой конденсатор используется только в нагруженном пуске, поэтому в легком запуске его можно не применять. Тогда вместо емкости пускового будет задействоваться рабочий.
В трёхфазную сеть
В трехфазной сети, несмотря на наличие необходимого типа питающего напряжения, всегда используется магнитный пускатель для приведения двигателя во вращение. Производить запуск без пускателя или контактора довольно опасно, поэтому они являются неотъемлемым элементом.

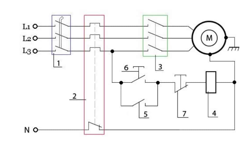
Схема включения в трехфазную сеть
На рисунке выше приведена обычная схема подключения двигателя к трехфазной сети, которая работает по такому принципу:
- подача напряжения на двигатель от сети производится через рубильник 1.
- далее, при включении кнопки пуска 6 осуществляется питание катушки контактора 4, которая притягивает силовые контакты пускателя 3;
- после чего двигатель начинает вращение, а пусковая кнопка 6 шунтируется через повторитель 5;
- для остановки трехфазного двигателя используется кнопка Стоп – 7, находящаяся в нормально замкнутом положении;
- защита двигателя от перегрузки контролирует токовую нагрузку в сети и при возникновении угрозы размыкает контакты 2.
Данная схема может упрощаться в связи с конструктивными особенностями применяемых пускателей. Так как некоторые из них изготавливаются без повторителей, могут иметь функцию реверсирования трехфазного двигателя или выпускаться без защиты. Более детальную информацию о магнитных пускателях вы можете почерпнуть из соответствующей статьи на сайте:
Заключение
При включении трехфазного двигателя в однофазную сеть существенно изменяются характеристики электрической машины. Из-за значительных недостатков такой метод в промышленном электроприводе не применяется, и допускается только как исключительная мера. Например, при необходимости экстренного восстановления работоспособности оборудования. Такое подключение допустимо только для маломощных электродвигателей.
Работа трехфазных устройств в сети 220 В широко применяется в приводе домашних станков и оборудования. Применение ПЧ частоты имеет неоспоримые преимущества перед пуском через емкостные элементы. Частотный преобразователь снижает нагрев и шум двигателей, повышает коэффициент мощности, позволяет регулировать частоту вращения вала. Кроме того, устройство обеспечивает защиту оборудования, позволяет осуществлять реверс двигателя, избавляет от необходимости сборки сложных схем управления.
Для исключения ошибок при выборе ПЧ лучше обратиться в службу технической поддержки производителя.





































